
HMC542BLP4ETR
- 厂商名称ADI
- 元件分类RF衰减器
- 中文描述0.5dB LSB GaAs MMIC 6位数字串行控制衰减器,DC-4 GHz
- 英文描述0.5 dB LSB GaAs MMIC 6-BIT DIGITAL SERIAL CONTROL ATTENUATOR,DC-4 GHz
- 数据手册HMC542BLP4ETR数据手册Datasheet PDF
- 在线购买
HMC542BLP4ETR概述
HMC542BLP4E宽带6位砷化镓集成电路数字衰减器采用CMOS兼容型串行至并行驱动器,采用低成本无引线表面贴装封装。这款串行控制数字衰减器集成了片外交流接地电容,可实现近直流操作,因此适用于各种射频和中频应用。衰减精度极佳,典型阶跃误差为±0.25dB,IIP3为+50dBm。六位串行控制字用于选择每种衰减状态。需要+5V的单Vcc偏置。典型应用包括蜂窝/PCS/3G基础设施、ISM、MMDS、WLAN、WiMAX和WiBro、微波无线电和VSAT、测试温度和传感器。
TTL/CMOS兼容串行数据接口,SPI兼容串行输出
典型插入损耗为1.4dB(DC-1.5GHz,TA=+25°C,Vcc=+5V)
典型衰减范围为31.5dB(DC-4.0GHz,TA=+25°C,Vcc=+5V)
典型开关特性为60ns(tRISE、tFALL(10/90%RF),DC-4.0GHz)
24引脚QFN封装
工作温度范围:-40到+85°C
TTL/CMOS兼容串行数据接口,SPI兼容串行输出
典型插入损耗为1.4dB(DC-1.5GHz,TA=+25°C,Vcc=+5V)
典型衰减范围为31.5dB(DC-4.0GHz,TA=+25°C,Vcc=+5V)
典型开关特性为60ns(tRISE、tFALL(10/90%RF),DC-4.0GHz)
24引脚QFN封装
工作温度范围:-40到+85°C
HMC542BLP4ETR中文参数
制造商:Analog Devices Inc.
产品种类:衰减器
封装/箱体:QFN-24
最大频率:4 GHz
位数:6 bit
通道数量:1 Channel
阻抗:50 Ohms
最大VSWR:-
衰减器步长:0.5 dB
技术:GaAs
最小工作温度:-40℃
最大工作温度:+85℃
衰减:31.5 dB
商标:Analog Devices
介入损耗:2.3 dB
最小频率:DC
安装风格:SMD/SMT
工作电源电压:5 V
功率额定值:28 dBm
产品种类:衰减器
封装/箱体:QFN-24
最大频率:4 GHz
位数:6 bit
通道数量:1 Channel
阻抗:50 Ohms
最大VSWR:-
衰减器步长:0.5 dB
技术:GaAs
最小工作温度:-40℃
最大工作温度:+85℃
衰减:31.5 dB
商标:Analog Devices
介入损耗:2.3 dB
最小频率:DC
安装风格:SMD/SMT
工作电源电压:5 V
功率额定值:28 dBm
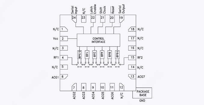
HMC542BLP4ETR引脚图

爆款物料推荐
型号
价格