芯进电子宣布推出单芯片旋变数字转换器CC2S1210。CC2S1210是一款10位至16位分辨率旋变数字转换器,集成片上可编程正弦波振荡器,为旋变器提供正弦波激励,跟踪旋转变压器输入信号,并将正弦和余弦输入信号转换为输入角度和速度所对应的数字量,广泛用于汽车和工业应用中,用来提供电机轴位置/速度反馈信息。

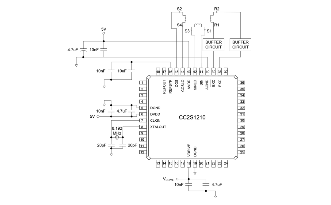
▲48引脚薄型四方扁平封装[LQFP48-7x7]
应用场景
直流和交流伺服电机控制
编码器仿真
电动助力转向
电动汽车
集成的启动发电机/交流发电机
汽车运动检测与控制

▲ 典型应用图
产品优势
主要特色
1、比率跟踪转换—Type II跟踪环路能够连续输出位置数据,最大跟踪速率达3125rps,且没有转换延迟。它还可以抑制噪声,并提供参考和输入信号的谐波失真容限。
2、全面的故障检测功能—3种故障类型,通过引脚电平读出;8种故障条件,通过故障寄存器读出。故障条件包括旋变的信号丢失、超范围输入信号、输入信号失配或位置跟踪丢失。各故障检测阈值可以由用户单独编程,以便针对特定应用进行优化。
3、输入信号范围更宽,抗干扰性更强—正弦和余弦均为差分输入,抗干扰性强,输入端支持3.15 V p-p ± 27%的差分输入电压。
4、可编程激励频率,适配各种旋变—内置可编程正弦波振荡器,可以轻松地将激励频率设置为2 kHz至20 kHz范围内的多个标准频率。
5、3种接口输出位置数据,可任意选择—通过16位并行端口或4线串行接口可以访问10位至16位绝对角位置数据,增量式编码器仿真采用标准A-quad-B格式,并提供方向输出。
6、提供速度数据输出—通过16位并行端口或4线串行接口可以访问10位至16位带符号的数字量速度。
7、精度高—分辨率为10位至16位可配置,角度精度高达±10弧分,速度精度。
8、独立的逻辑接口电压—芯片工作电压支持5V±5%,逻辑接口电压支持2.3~5V。
9、工作温度范围宽—支持-40℃~125℃,在高低温下均能保持优良的跟踪精度和动态性能。
实测波形及数据统计
1、振荡器(激励)输出,和接收线圈输入波形

▲实测激励和接收输入
2、 CC2S1210提供高精度的角度位置和速度输出

▲角度和速度输出
3、 角度精度码分布集中,噪声表现良好(10000次测量,数据分布,数据长度均为16bit,图上标的bit数均对应性能,相当于enob)


▲45°输出分布统计


▲45°输出分布统计
4、 阶跃响应时间短,具有优良的动态性能

▲10bit enob阶跃响应

▲12bit enob阶跃响应

▲14bit enob阶跃响应

▲16bit enob阶跃响应
请联系芯进电子获取规格书和样品
产品推荐
| 商品编号 | 厂家型号 | 规格 | 品牌名称 | 类目 |
| C49006225 | CC2S1210FAC | LQFP-48(7x7) | CrossChip(成都芯进) | 位置传感器 |




