LM2576S可调稳压电路原理图如下:

产品简介
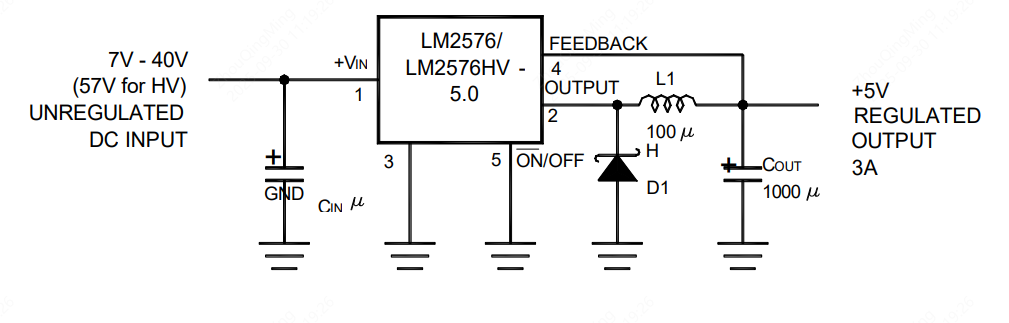
LM2576稳压器是为降压开关稳压器提供所有有效功能的单片集成电路,能够驱动 3A 的负载,并且拥有出色的线路和负载调节性能。这些器件可提供 3.3V、5V、12V、15V 和可调节输出版本。可调版本输出电压范围:1.23V 至 37V(高压版本 为 57V),在线路和负载条件下可承受最大 ±4% 的 容差。宽输入电压范围:40V,高压版本可达到 60V。

应用场景
- 直流电源降压模块
- 工业控制电源
- 电池供电设备
- 通信设备、仪器仪表
- 家电/电子产品中低功耗电源
LM2576S产品推荐
| 型号 | 品牌 | 工作电压 | 输出电压 | 输出电流 | 封装 |
| LM2576SX-5.0/NOPB | TI(德州仪器) | 4V~40V | 5V | 3A | TO-263-5 |
| LM2576SX-ADJ/NOPB | TI(德州仪器) | 6V~40V | 1.23V~37V | 3A | TO-263-5 |
| LM2576S-5.0/UMW | UMW(友台半导体) | 7V~40V | 5V | 3A | TO-263-5 |
| LM2576S-5.0/TR | HGSEMI(华冠) | 4V~40V | 5V | 3A | TO-263-5 |
| LM2576S-5.0 | Slkor(萨科微) | 4V~40V | 5V | 3A | TO-263-5 |
| LM2576S-5.0RG | HGC(深圳汉芯) | 8V~40V | 5V | 3A | TO-263-5 |
| LM2576SX-3.3 | TECH PUBLIC(台舟) | 4.75V~40V | 3.3V | 3A | TO-263-5 |



