我用树莓派,做了一个小电脑!

只有你想不到!没有它做不到!
它可以……
①小电脑自带3.92寸AMOLED屏幕!
但像素1080P!

逛B站,刷视频,体验感都极佳~

②放在键盘上,还可以玩蜘蛛纸牌等游戏!

那可能就有人说了
蜘蛛纸牌?老人机都能玩啦!(节目效果请勿模仿)
嘿嘿,事实上
你也可以连接手柄,玩Steam游戏↓

③除此之外,它还有一个副屏!可拓展更多可玩性!


不过,这个组合……还是让我想起了……

咳咳,继续介绍一下它的拓展玩法吧!
①作为桌面提词器用!听歌体验感up!

②接个摄像头,就能录制高清视频/照片!

③带重力感应……
这个,就欢迎你自行拓展了~

哇,这真的有点香了!
但最最最香的是——它,全开源了!


本文旨在分享它的硬件和软件设计方案!
开源网址会放在文末,欢迎想DIY的友友去瞅瞅~
电路基于嘉立创EDA设计。
电路部分的主控是树莓派5,我为实现上述功能,设计了两块PCB板——屏幕驱动板、中间转接板。
这块板子主要有-屏幕驱动;自定义按钮;MPU6500

原理图

PCB
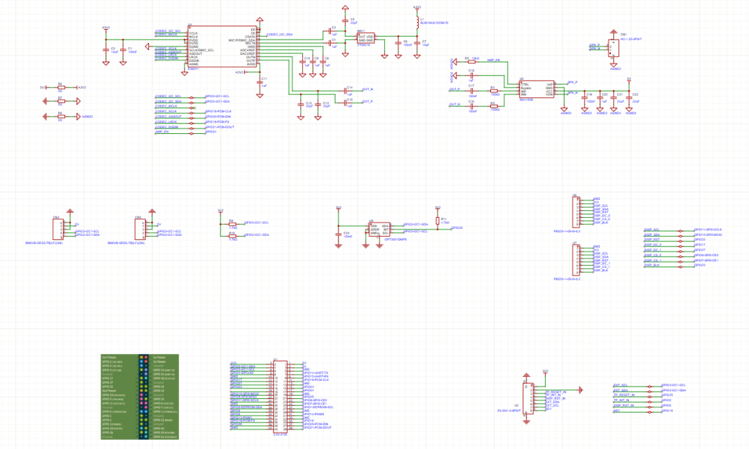
这块板子主要有-两个 SPI 副屏接口;两个 I2C 扩展接口;ES8311 Codec,NS4150 功放 + 喇叭接口;模拟 MIC环境光传感器

原理图

PCB
目前驱动是以64位官方镜像为基础开发的。
内核源码: linux
驱动开发仓库:rebecca_drivers
内核编译和更新:

更多玩法尝试:

目前,项目已全开源!
——想复刻?想给作者点赞?下面会附上开源网址↓,欢迎大家在遵循作者开源协议的情况下,友好复刻学习~~




