本文作者:立创开源硬件平台 OSHWHub 用户@风漠兮,禁止商用,未经许可禁止转载,点击查看原文章
一、设计原理
使用ICN6211桥接芯片进行MIPI DSI转RGB信号以驱动CXN0102视频信号,使用MS2109芯片实现HDMI采集卡功能以支持HDMI输入功能,使用RTL8211F作千兆以太网PHY芯片,使用CH334R作USB 2.0 HUD以扩充USB接口,使用CH213K理想二极管进行USB接口防倒灌,使用CH224K作PD协议受电以接受12V供电。
PCBA设计如下图所示:

二、本项目电源电路参考
1.PD供电部分
供电电源采用的是外部PD供电方式,使用的主芯片是CH224K,南京沁恒的一款多快充协议受电芯片,对于项目中提到的12V是如何的来的?可以从下方规格书参考设计中得到答案:

2. 项目中不同电源电压的需求点
(1)5V需求
CH334R是一款符合USB2.0协议规范的4 端口 USB HUB 控制器芯片,支持3.3V/5V供电

(2)5V需求
CH213是一种具有限流功能的理想二极管芯片,耐压最高5V。

(3)3.3V&1.8V需求
RTL8211F-CG是一个高度集成的以太网收发器,支持3.3V,1.8V,1.5V多种信号电压。典型应用如下:

(4)3.3V&1.8V需求
CN6211是一个桥接芯片,接收MIPI®DSI输入并发送RGB输出。支持3.3V/2.5V/1.8V供电。

(5)3.3V需求
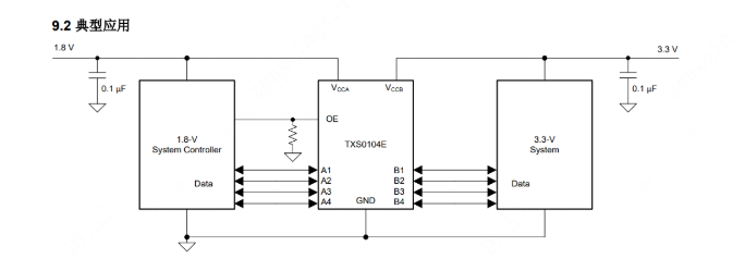
TXS0104EPWR是专为转换逻辑电压电平而设计的无方向电压电平转换器。A端口能够接受 1.65V至3.6V的I/O电压,而B端口可接受2.3V至5.5V的 I/O电压。适用于电平转换应用,用于将在不同接口电压下运行的器件或系统相互连接起来。

3. 电源转换
(1)12V转5V
TPS5430DDAR是一款支持输入电压5.5V至36V输出电流3A的可调降压转换器。可以在5V的标称输出电压下提供高达3A的输出电流。

DC/DC电路电压调节的基本思路:输出端通过分压电阻将输出电压采样到FB(VFB)端,也就是反馈端,与基准电压对比后通过运放输出一个电压,与三角波对比,产生PWM信号,驱动功率管,实现电压的闭环控制。补偿端接RC补偿电路,实现电路快速稳定响应。
在评估DC/DC转换器控制芯片的性能时,可以从以下几个关键方面进行考虑:
1.输入电压范围 ——考虑实际使用输入的波动范围,对照DC/DC器件手册推荐工作电压范围选用,确保不能超过器件规格。
2.输出电压——输出电压是DC/DC很重要的参数,也是电子设备设计者选型时首先应考虑的参数。DC/DC有固定输出电压和可调输出电压两种类型。
3.最大输出电流——持续的输出电流能力是DC/DC器件一个重要的参数,选用时要参考此参数,并要保留一定的余量,DC/DC的输出电流参数的选取需评估后级电路的瞬间峰值电流和发热的情况,综合来确定,并满足降额要求。
4.开关频率——开关频率决定了外部电感的选型,开关频率越大需要的电感值就相对小一些。外部电感越大,对纹波的抑制作用越好,缺点是不能快速的响应负载的变化。且一旦负载发生变化容易引起EMI问题,在选型时也需要注意。
通过上述参数要求在商城过滤器可以找到更多近似料如下所示:
|
品牌 |
型号 |
封装规格 |
功能类型 |
输出类型 |
输入电压 |
输出电压 | 输出电流 |
|
GR(国睿) |
GR1509-5.0 |
SOP-8 |
降压型 |
固定 |
7V~40V |
5V |
5A |
|
RICHTEK(立锜) |
RT8279GSP |
SOP-8-EP-150mil |
降压型 | 可调 |
5.5V~36V |
1.2V~26V |
5A |
|
Hichips(智芯) |
Hi9102 |
ESOP-8 |
降压型 | 可调 |
8V~150V |
5V~36V |
3A |
|
Siproin(上海矽朋) |
SSP9467 |
ESOIC-8 |
降压型 | 可调 |
6V~40V |
0.8V~30V |
3.5A |
|
XDS(芯鼎盛) |
TX4132L |
SOP-8-EP |
降压型 | 可调 |
8V~55V |
5V~30V |
3A |
| UMW(友台半导体) | LM2596S-5.0 |
TO-263-5 |
降压型 | 固定 |
40V |
5V |
3A |
(2)5V转3.3V
XC6206P332MR是一款支持输入最高8V,固定输出3.3V,输出电流250mA的稳压器。

通过上述参数要求在商城过滤器可以找到更多近似料如下所示:
|
品牌 |
型号 |
封装规格 |
输出类型 |
最大输入电压 | 输出电压 | 输出电流 |
|
inearin(先积集成) |
LTP3333XT3 |
SOT-23-5 |
固定 |
6V |
3.3V |
300mA |
|
LOWPOWER(微源半导体) |
LP3986-33B3F |
SOT-23-5 |
固定 |
6V |
3.3V |
300mA |
|
Siproin(上海矽朋) |
SSP6206-33NR |
SOT-23-3 |
固定 |
8V |
3.3V |
300mA |
|
natlinear(南麟) |
LN6206P332MR-G |
SOT-23-3 |
固定 |
6V |
3.3V |
250mA |
|
GR(国睿) |
GR7333 |
SOT-23 |
固定 |
15V |
3.3V |
250mA |
|
Wayon(上海维安) |
WR0332-33A30R |
SOT-23-5 |
固定 |
5.5V |
3.3V |
300mA |
|
Lewa Micro(乐瓦微电子) |
LW5933N23C |
SOT-23 |
固定 |
7V |
3.3V |
400mA |
(3)5V转3.3V
ME6211C33M5G-N是一款支持输入最高8V,固定输出3.3V,输出电流500mA的稳压器。
通过上述参数要求在商城过滤器可以找到更多近似料如下所示:
|
品牌 |
型号 |
封装规格 |
输出类型 |
最大输入电压 |
输出电压 |
输出电流 |
|
RUNIC(润石) |
RS3236-3.3YF5 |
SOT-23-5 |
固定 |
7.5V |
3.3V |
500mA |
|
iproin(上海矽朋) |
SSP9193-33M5R |
SOT-23-5 |
固定 |
5.5V |
3.3V |
500mA |
|
iCM(创芯微) |
CM1802B33 |
SOT-23-3 |
固定 |
6.5V |
3.3V |
500mA |
|
RUNIC(润石) |
RS3236-3.3YF3 |
SOT-23-3 |
固定 |
7.5V |
3.3V |
500mA |
|
MICRONE(南京微盟) |
ME6211A33M3G-N |
SOT-23 |
固定 |
6V |
3.3V |
500mA |
|
Slkor(萨科微) |
SL9013M33SE |
SOT-23-5 |
固定 |
6.5V |
3.3V |
500mA |
(4)3.3V转1.8V
TP5108E23E-18是一款支持输入最高7V,固定输出1.8V,输出电流500mA的稳压器。

通过上述参数要求在商城过滤器可以找到更多近似料如下所示:
|
品牌 |
型号 |
封装规格 |
输出类型 | 最大输入电压 | 输出电压 | 输出电流 |
|
RUNIC(润石) |
RS3236-1.8YF5 |
SOT-23-5 |
固定 |
7.5V |
1.8V |
500mA |
|
HUATECH(华泰) |
HTP3105-1.8YT5/R6 |
SOT-235 |
固定 |
7V |
1.8V |
500mA |
|
Siproin(上海矽朋) |
SSP9193-18M5R |
SOT-23-5 |
固定 |
5.5V |
1.8V |
500mA |
|
suntek(洺太电子) |
SK6014AS5-18 |
SOT-23-5 |
固定 |
6.5V |
1.8V |
500mA |
|
TMI(拓尔微) |
TMI6050-18 |
SOT-23-5 |
固定 |
5.5V |
1.8V |
500mA |
|
ETA(钰泰) |
ETA5055V180DS2F |
SOT-23-5 |
固定 |
5.5V |
1.8V |
500mA |
|
natlinear(南麟) |
LN1152B182MR-G |
SOT-23-5L |
固定 |
7V |
1.8V |
500mA |
|
LOWPOWER(微源半导体) |
LP3980-18B5F |
SOT-23-5 |
固定 |
5.5V |
1.8V |
500mA |
(5)3.3V转1.2V
ME6216A12M3G一款支持最高6V输入,固定输出1.2V,输出电流250mA的稳压器。

通过上述参数要求在商城过滤器可以找到更多近似料如下所示:
|
品牌 |
型号 |
封装规格 |
输出类型 |
最大输入电压 |
输出电压 |
输出电流 |
|
Lewa Micro(乐瓦微电子) |
LW5912N23D |
SOT-23-3L |
固定 |
7V |
1.2V |
400mA |
|
RUNIC(润石) |
RS3219-1.2YF3 |
SOT23-3 |
固定 |
7.5V |
1.2V |
300mA |
|
DSTECH(奥简科技) |
DS8561-12SS3 |
SOT-23 |
固定 |
6V |
1.2V |
300mA |
|
RICHTEK(立锜) |
RT9166-12GVL |
SOT-23-3L |
固定 |
5.5V |
1.2V |
300mA |
| Slkor(萨科微) |
SOT-23 |
固定 |
6.5V |
1.2V |
500mA |




