在当今高速发展的电子设备市场中,静电放电(ElectroStatic Discharge, ESD)和瞬态电压尖峰(Transient Voltage Spike, TVS)已成为影响产品可靠性和使用寿命的重要因素。为了应对这些挑战,华轩阳电子作为一家半导体元器件供应商,致力于提供高质量、高性能的ESD/TVS保护解决方案。
产品亮点
低电容系列:专为高速数据接口设计,如USB Type-C、HDMI等,提供快速响应保护,同时保持信号完整性。
高功率系列:适合电源线路和高电流应用场合,具备出色的浪涌吸收能力。
集成式解决方案:单个封装内集成了多个保护通道,简化了PCB布局,节省空间。
环境友好型:采用无铅材料,符合RoHS标准,减少对环境的影响。
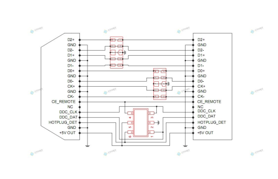
应用案例:HDMI(高清多媒体接口)
在高清视频传输领域,HDMI(High-Definition Multimedia Interface,高清晰度多媒体接口)已成为不可或缺的标准。然而,在追求更高分辨率、更快传输速度的同时,HDMI接口也面临着的ESD威胁。
华轩阳的ESD保护器件采用先进的工艺制造,能够有效抵御高达±8kV的接触放电和±15kV的空气放电。通过集成化的低电容设计,我们的产品不仅能够提供卓越的保护性能,还能保持信号完整性,避免对高速数据传输造成不利影响。此外,超小尺寸封装技术使得我们的ESD保护器件成为紧凑型设计的理想选择,帮助您在有限的空间内实现强大的防护功能。
相比市场上的其他解决方案,华轩阳电子的ESD保护器件拥有更低的钳位电压,这意味着在ESD事件发生时,能更有效地限制过压,从而减少端口损坏的风险。

封装:DFN2510-10L
产品简介:电流/A:3,电压/V:5,结电容Typ/pF:0.4,通道数:4,类型:Uni单向,
封装:SOT-23-6L
产品简介:电流/A:4,电压/V:5,结电容Typ/pF:0.5,通道数:4,类型:Uni单向,
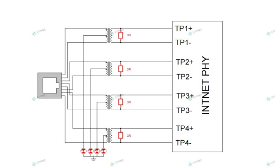
应用案例:以太网静电防护
在太网应用中,稳定的数据传输对于用户体验至关重要。然而,随着设备越来越小型化、集成化,ESD(静电放电)防护成为了确保系统可靠性的关键挑战之一。华轩阳电子深知这一点,并致力于提供高性能的ESD保护解决方案,以满足您的设计需求。
我们的ESD保护器件专为以太网应用优化,具备以下优势:
卓越的防护性能:华轩阳的ESD保护器能够承受高能量的静电放电事件,确保即使在极端条件下也能保护您的以太网接口免受损害。这得益于我们采用的先进材料和技术,使得产品具有优异的耐久性和稳定性。
低电容设计:为了保证信号完整性和数据传输速率不受影响,我们特别设计了低电容的ESD保护器件。这不仅有助于减少信号衰减,还能确保您的网络设备在高速传输中表现良好。
紧凑型封装:考虑到现代电子设备对空间利用效率的高要求,我们提供的ESD保护器采用了超薄、紧凑的SOD-323的设计,易于集成到各种尺寸受限的应用场景中。
百兆以太网:
型号:HESDALD03BCX
封装:SOD-323
产品简介:电流/A:20,电压/V:3.3,结电容Typ/pF:1,通道数:1,类型:Bi双向,
千兆以太网
型号:HESDALD03BCX
封装:SOD-323
产品简介:电流/A:20,电压/V:3.3,结电容Typ/pF:1,通道数:1,类型:Bi双向,
型号:HSELC05CI
封装:SOD-323
产品简介:电流/A:4,电压/V:5,结电容Typ/pF:1,通道数:1,类型:Bi双向,
应用案例:RS232-静电放电防护
在众多工业控制系统及通信设备中,RS232接口因其成熟的技术和广泛的兼容性而被广泛应用。然而,由于其常常暴露于户外或工业环境中,RS232接口面临着来自静电放电(ESD)、雷击以及其他瞬态电压事件的威胁。为了确保您的设备在这些严苛条件下依然能够稳定运行,华轩阳电子推出了高性能的TVS浪涌保护器件,专为RS232接口提供全面的防护。
华轩阳的TVS采用先进的玻璃钝化工艺制造,具备超快的响应速度,可以在纳秒级时间内导通,迅速吸收过高的电压,这一特性对于保护现代高速数据传输系统至关重要。此外相较于市场上其他TVS产品,我们的器件拥有更低的钳位电压。这意味着在发生浪涌事件时,能够更有效地限制电压峰值,减少对后端电路的冲击,从而提高整个系统的可靠性。
型号:SMBJ15CA
封装:SMB
产品简介:电流/A:24.6,电压/V:15,通道数:1,类型:Bi双向,
应用案例:USB静电放电防护方案
随着USB(Universal Serial Bus,通用串行总线)接口在各种电子设备中的广泛应用,其在传输数据和供电方面的便利性得到了普遍认可。然而,USB接口同样面临着来自静电放电(ESD)的威胁,这对设备的可靠性和寿命构成了挑战。华轩阳电子推出专为USB接口提供的ESD静电保护器件,确保您的产品在日常使用中始终表现出色。
我们的ESD保护器件低电容的特点不仅有助于保持信号完整性,还能确保高速数据传输的稳定性和可靠性。采用超小型DFN0603-2L / DFN1006-2L / SOT-143 / DFN2510-10L封装,便于您集成到紧凑的USB接口布局中,相比市面上其他ESD保护方案,我们的产品具有更低的钳位电压,这意味着在ESD事件发生时能够更有效地限制电压峰值,从而降低对后端电路的损害。此外,快速响应时间确保在瞬态电压出现时能够立即启动保护机制,为您的设备提供即时防护。
USB3.0接口
封装:DFN2510-10L
产品简介:电流/A:3,电压/V:5,结电容Typ/pF:0.4,通道数:4,类型:Uni单向,
封装:SOT-143
产品简介:电流/A:9,电压/V:5,结电容Typ/pF:1.5,通道数:2,类型:Uni单向,
USB3.1接口

封装:DFN1006-2L
产品简介:电流/A:5.5,电压/V:5,结电容Typ/pF:10,通道数:1,类型:Bi双向,
封装:DFN2510-10L
产品简介:电流/A:3,电压/V:5,结电容Typ/pF:0.4,通道数:4,类型:Uni单向,
立创链接:
封装:DFN0603-2L
产品简介:电流/A:3,电压/V:5,结电容Typ/pF:0.25,通道数:1,类型:Bi双向,
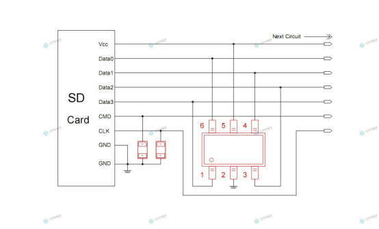
应用案例:SD 卡静电放电防护方案
SD卡作为便携式存储介质,在各种电子设备中发挥着重要作用。然而,由于其频繁的插拔操作,SD卡插槽面临着静电放电(ESD)的威胁,这可能会导致数据丢失或硬件损坏。华轩阳电子深知这一点,并为此推出了专为SD卡插槽设计的ESD静电保护器件,旨在为您的设计提供全面的防护。
我们的ESD保护器件能够承受高达±8kV的接触放电和±15kV的空气放电,确保SD卡插槽在各种环境下都能正常工作,有助于减少因ESD事件造成的设备故障,延长产品的使用寿命。此外,为了确保数据传输的稳定性和信号完整性,采用了低电容设计。这不仅有助于减少信号衰减,还能保证在高速数据交换过程中不失真,维持高质量的数据传输性能。我们还采用超小型DFN1006-2L的封装允许设计师了在不牺牲防护能力的前提下,充分利用每一寸宝贵的板载空间。

封装:DFN1006-2L
产品简介:电流/A:2.5,电压/V:5,结电容Typ/pF:2.5,通道数:1,类型:Bi双向,
封装:SOT-23-6L
产品简介:电流/A:4,电压/V:5,结电容Typ/pF:0.5,通道数:4,类型:Uni单向,
应用案例:VGA 静电放电防护方案
VGA(视频图形阵列)接口,也常被称为D-Sub接口,因其高分辨率、快速刷新率以及丰富的色彩表现而广受好评,被广泛应用于显卡、笔记本电脑及投影设备中,并随着LCD显示器的普及而成为其标准配置之一。然而,如何防止由于频繁插拔VGA线缆而导致的ESD(静电放电)对组件的损害,并保证设备的稳定可靠运行,是我们面临的一项重要挑战。传统的静电防护措施有时可能会干扰数据传输,甚至引起信号失真等问题。为此,华轩阳电子推荐使用一种先进的ESD保护二极管,这种二极管具有小型化封装、精确的导通电压、快速反应时间和较低的钳位电压等特点,在保障数据传输不受影响的同时,能够符合IEC61000-4-2四级静电放电防护标准,从而为后续电路提供全面有效的保护。

封装:DFN0603-2L
产品简介:电流/A:3,电压/V:5,结电容Typ/pF:0.25,通道数:1,类型:Bi双向,
应用案例:I2C 静电放电防护方案
I2C(Inter-Integrated Circuit)总线是一种简易的双向两线同步串行通信协议,仅需两条线路就能实现挂载设备间的通讯。为了保证这些数据接口在实际部署环境中能够正常运作,传统防护措施可能会对数据传输产生不利影响。华轩阳电子提出使用独立的、低电容ESD(静电放电)保护元件,这样可以在不干扰数据传输的情况下,达到IEC61000-4-2第四级静电放电防护的要求,从而确保后端电路的安全性和可靠性。

封装:DFN0603-2L
产品简介:电流/A:3,电压/V:5,结电容Typ/pF:0.25,通道数:1,类型:Bi双向,
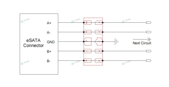
应用案例:eSATA 静电放电防护方案
eSATA,即External Serial ATA(外部串行ATA),是对SATA接口标准的一种外部应用扩展。原本SATA接口是专为系统内部设备设计的,而eSATA则允许外部设备通过这一高速接口进行连接。这意味着,具备eSATA端口的话,可以便捷地将SATA硬盘直接与计算机外部接口相连,无需开启机箱进行硬盘更换。eSATA能支持高达3000Mbps(即384MB/s)的数据传输速率,并且保留了便于使用的热插拔特性。面对频繁插拔线缆可能导致的ESD(静电放电)损害以及确保产品稳定运行的需求,我们提出了一种新的解决方案。该方案在信号部分采用了集成四通道保护功能、具有超低电容和低泄漏电流的ESD防护器件,在确保不干扰数据传输的同时,满足IEC61000-4-2第四级静电放电防护标准,从而为后端电路提供有效的保护。

封装:DFN2510-10L
产品简介:电流/A:4,电压/V:3.3,结电容Typ/pF:0.6,通道数:4,类型:Uni单向,
应用案例:BNC 静电放电防护方案
BNC连接器,常用于同轴电缆的接驳,以其传输距离远和信号稳定著称,广泛应用于通信系统以及高端的监视、音频设备中的音视频信号传输。鉴于其通常需要进行长距离传输,并且布线环境往往包括户外或其他电磁干扰较为复杂的区域,这可能导致干扰进入系统,进而引发后端芯片受损、系统不稳定甚至崩溃等问题,从而对产品的可靠性和稳定性构成威胁。为此,解决方案是采用一种体积小巧、反应迅速且具备低结电容特性的ESD保护管,以确保在不对信号传输造成影响的情况下,符合IEC 61000-4-2第四级的静电放电防护标准,从而实现对后端电路的有效保护。

型号:HESDALD03BCX
封装:SOD-323
产品简介:电流/A:20,电压/V:3.3,结电容Typ/pF:1,通道数:1,类型:Bi双向,
应用案例:DC 12V电源口静电放电防护方案
12伏电源在汽车电子、工业自动化以及通信安全等领域中被广泛应用,电源作为电子设备的核心组件,其运行的稳定性和可靠性直接影响到整个产品的性能。在实际部署中,由于复杂的电磁环境,设备容易受到静电放电或感应过电压的冲击而受损。针对这种情况,我们提出了一种解决方案,即使用具有高精度导通电压、快速响应速度和低钳位电压的TVS(瞬态电压抑制)二极管来进行保护。这种方案不仅能够满足IEC 61000-4-2第四级静电放电防护和IEC 61000-4-5第一级雷击浪涌防护的要求,同时还实现了成本效益的最大化。

型号:SMBJ15A
封装:SMB
产品简介:电流/A:24.6,电压/V:15,通道数:1,类型:Uni单向,
华轩阳电子,专注为数码产品、消费类电器、5G通信、汽车新能源、医疗设备等领域客户提供高性能功率器件解决方案。我们致力于为中国芯片崛起而努力,提供可靠、经济实惠的产品,助力客户实现本土器件替代进口的目标。 产品范围涵盖:MOSFET、ESD、LDO、二极管、三极管、IGBT以及电源芯片等多种功率器件。特别推荐我们的碳化硅MOSFET和碳化硅二极管,具备卓越的性能和可靠性,适用于多个领域的高要求应用。 我们拥有超过10年研发经验的技术团队,不断创新提升产品质量,确保满足客户的需求。我们采用ISO质量管理体系,以确保产品达到最高标准。我们深知客户的独特需求,致力于建立长期合作关系。提供忠诚可靠的服务,为客户提供定制化解决方案,以满足其特定应用的需求。




