在电源和电机驱动等应用中,MOSFET的雪崩失效是导致意外故障的常见原因之一。即便工作电压和电流在额定范围内,瞬态的电压过冲(如开关关断、感性负载回弹)也可能引发雪崩击穿,造成器件永久损坏,带来系统停机和维修成本。
要有效预防此类失效,仅依赖器件的标称Vds和Id参数是不够的。工程师需要重点关注一个关键的安全裕量指标:EAS(单脉冲雪崩能量)。它定义了器件在极端瞬态应力下的生存边界,是选型和可靠性设计的重要依据。
单脉冲雪崩击穿能量(Energy during avalanche for single pulse),即 EAS。指的是MOSFET器件串联感性负载时,在单次脉冲(工作到关断)状态下,所能承受的最大能量消耗,单位是焦耳(J),其值越大,器件在电路中遭遇瞬间过电压或过电流情况时越不容易损坏。
EAS(Single-PulseAvalancheEnergy)这个参数,就是量化MOS管在单次雪崩事件中能安全吸收并耗散掉的最大能量值。它的单位是毫焦耳(mJ)。


图1 50N06的极限参数
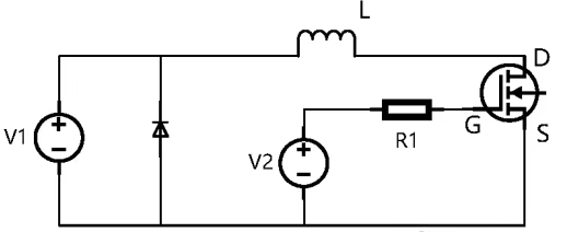
EAS的测试原理如下:

图2
如图所示,电源V2给MOS管施加一个开启电压,让MOS出于一个导通状态,使得电源V1能够给电感L充电。当电感L电流达到测试值(MOS管IAS目标值)时,电源V2瞬间断电,电感L存储的电流会产生一个反向电动势,此时的反向电压尖峰远超过MOS管的击穿电压,导致漏极-源极被击穿。在击穿的瞬间,电流探头记录的电流Id,电压探头记录漏极-源极之间的电压Vds。
IAS就是电流波形上的最高点。
EAS就是在雪崩击穿过程中(从电压超过击穿电压,到电流接近零为止),的每一小段进行积分所得到的值(即示波器捕获的波形面积)。
公式如下:

这个公式往往会理想化成这个熟悉的公式:

按上述公式,图1中的EAS≈0.5*0.5*12*12=36mJ,和规格书基本一致。
但是需要注意的是EAS背后的限制条件:
1、温度:实验室测试温度是25℃,而实际应用场景中结温度可能高达125℃,EAS暴跌,血泪公式:
![]()
2、脉宽:标称值短脉冲(≤10μs),现实应用中电机堵转脉冲>200μs,EAS利用率大打折扣。
3、非重复性:只保证单次雪崩的安全性,如果电路需要频繁经历雪崩(比如某些特定拓扑),EAS不能直接用于选型,需要考虑降额或选择具有重复雪崩能力(IAR,EAR)的器件。
实际设计中的应用考量与选型指导
1、评估风险:应用场景是否有可能发生雪崩事件?例如驱动电机、继电器、电磁阀等带有大电感负载的电路就有可能发生雪崩击穿,还有开关电源的某些拓扑在特定故障下也有可能。
2、估算能量:
计算或估算电路中电感(主要是负载电感或变压器漏感)在关断瞬间储存的最大能量 。L为回路中的等效总电感负载电感加布线电感等;I为MOS管关断瞬间流经它的峰值电流,需考虑最恶劣的情况。
3、计算雪崩持续时间:
计算雪崩持续时间tAV。VBR击穿电压一般使用规格书最小值;VDD母线电压为系统最大工作电压,并考虑可能的瞬态过压。

4、比较规格书中参数EAS与E预测值,一般选择EAS值大于1.5倍测算值。
|
编码 |
型号 |
|
C5818970 |
举例
假设某24V直流电机驱动系统,选用50N06,堵转电流10A,回路杂散电感2mH(含走线电感和电机绕组漏感),MOSFET击穿电压VBR=60V,工作结温Tj=110℃,规格书标注EAS=36mJ。
则E=0.5*L*I²=0.5*0.002*10*10=100mJ
tAV=L*I/(VBR-VDD)=0.002*5/(60-24)≈0.3ms
查表,0.3MS下ID可以到40A
虽然在ID电流可以到40A,但是实际电路中估算的能量已经超过规格书中的EAS,在实际工作中结温也很高,实际的EAS能量会更低,风险极高!需换用更强器件或降低电感/电流。
EAS比较100mJ>36mJ,结论同样是风险过高。
总结
EAS是MOSFET抗雪崩失效的核心安全屏障,但其标称值高度依赖测试条件。工程师需穿透数据手册表象,结合实际脉冲特性、温度边界、拓扑风险综合设计,方能在高可靠性系统中构建真正有效的保护机制。




