工程作者:coconet
我做了一个智能手表!
它有8大功能↓
-
看小说:支持TXT等格式,支持进度保存
-
图片播放:2K分辨率
-
可自定义壁纸
-
查看时间
-
看视频:可快进/快退,暂停,断点续播
-
听音乐
-
玩2048小游戏
-
续航:典型使用场景下续航3小时,深度睡眠大约7天
-
存储:SD卡,用于存放多媒体文件与保存用户进度,可随时替换
无图无真相!演示一下↓



想实现这些功能,具体怎么设计?
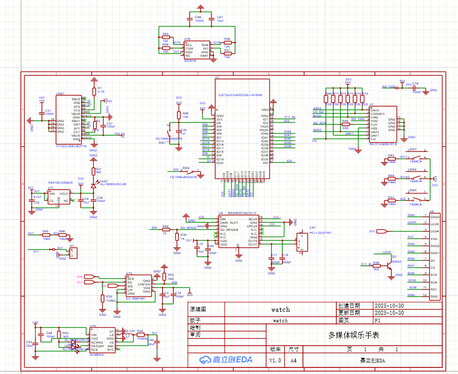
原理图

PCB图
参数说明
-
1.28英寸圆形TFT屏幕,分辨率240*240
-
主控:ESP32S3
-
充电管理:TP4057,实现锂电池充电控制
-
电压转换:将输入电压降压为 3.3V,为 STM32、蓝牙模块等低电压外设提供电源
-
蓝牙通信:HY-M242,负责蓝牙无线通信,实现数据传输功能。
-
虽然PCB上有麦克风,但是程序中并没有麦克风,所以不焊接,欢迎各位大佬拓展
-
设计软件:嘉立创EDA,尺寸能免费打样
怎么样?
对于这个开源项目,你有啥想补充的吗?
欢迎在评论区友好探讨啊!
如果你想复刻,想给作者点赞
就下滑吧!
欢迎在遵循开源协议的前提下
友好复刻学习~
▼▼
开源网址:https://oshwhub.com/coconet/multimedia-entertainment-watch