芯片简介
MT3608L是一款1.2MHz恒定频率电流模式升压转换器,集成80mΩ功率MOSFET。支持2.2V至16V输入电压范围,可调输出电压(最高20V),内置软启动和自动轻载PFM模式切换。包含过压保护、可调过流保护(0.5A~2.5A)及热过载保护,采用SOT23-6封装。
芯片特点:
输入2.2V~16V
输出可调
内置MOS
1.2MHz
使能
软启动

MT3608L是一款1.2MHz恒定频率电流模式升压转换器,集成80mΩ功率MOSFET。支持2.2V至16V输入电压范围,可调输出电压(最高20V),内置软启动和自动轻载PFM模式切换。包含过压保护、可调过流保护(0.5A~2.5A)及热过载保护,采用SOT23-6封装。
| 开源项目名称 | 开源项目介绍 |
|---|---|
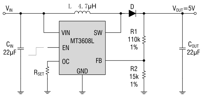
| MT3608L可调电源模块 | MT3608L可调电压源,应用电路简单,只需要输入输出电容,限流电阻,两个分压调节电阻,以及一个肖特基二极管便可完成升压。 |
描述MT3608L 是一款高效率的2.5A 1.2MHz电流模式升压转换器,适用于小型低功耗应用。它具有2.2V至16V的输入电压范围,可调输出电压,内置80mΩ功率MOSFET,自动轻载脉冲频率调制模式,过压保护等功能。
3000个/圆盘
总额¥0
近期成交100单+