芯片简介
CBM1117C-1.8是一款低压差电压稳压器,可提供高达1A的输出电流,支持固定1.8V输出电压或通过外部电阻调节输出电压。芯片内部包含误差放大器、基准电压源、功率晶体管和保护电路,具有±2%输出电压精度、电流限制和热保护功能,适用于高效率线性稳压和电池充电器等应用。
芯片特点:
输入15V
输出1A
精度±2%
输出1.8V

CBM1117C-1.8是一款低压差电压稳压器,可提供高达1A的输出电流,支持固定1.8V输出电压或通过外部电阻调节输出电压。芯片内部包含误差放大器、基准电压源、功率晶体管和保护电路,具有±2%输出电压精度、电流限制和热保护功能,适用于高效率线性稳压和电池充电器等应用。
| 开源项目名称 | 开源项目介绍 |
|---|---|
| C2842719-LDO方案验证板(A版) | LDO验证板A版:3款SOT-23-3、3款SOT-89-3、2款SOT-23-5、2款SOT-23-6、2款SOT-223。 |
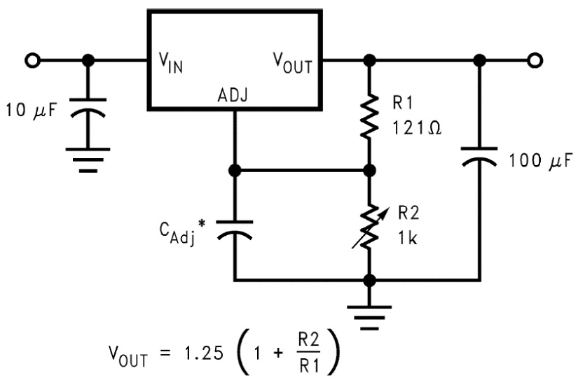
描述是一系列低压差稳压器,可提供高达 1A 的输出电流。有八种固定电压可选,分别为 1.2、1.25、1.5、1.8、2.5、2.85、3.3 和 5.0V,此外还有可调版本。片上精密微调可将参考/输出电压调整到 ±2% 以内。还对电流限制进行了微调,以确保指定的输出电流和可控的短路电流。有 SOT-223、TO-252、TO-263 封装。输出端需要至少 10uF 的钽电容,以改善瞬态响应和稳定性。
SMT扩展库
2500个/圆盘
总额¥0
近期成交10单