芯片简介
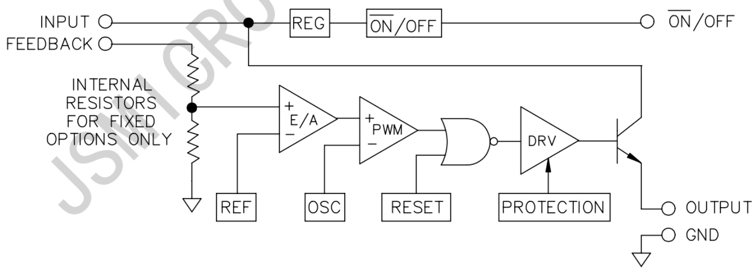
LM2576SX-ADJ-JSM是一款支持buck或buck/boost应用的开关稳压器,可提供1.23V至35V的可调输出电压,适用于宽输入电压范围(4V至40V)。其特性包括52kHz固定频率、使能控制引脚、集成过流和热关断保护功能,需外接电感、二极管和电容完成DC-DC转换。典型效率达82%,适用于简化电源设计。
芯片特点:
输入4V~40V
输出3A
52kHz
使能

LM2576SX-ADJ-JSM是一款支持buck或buck/boost应用的开关稳压器,可提供1.23V至35V的可调输出电压,适用于宽输入电压范围(4V至40V)。其特性包括52kHz固定频率、使能控制引脚、集成过流和热关断保护功能,需外接电感、二极管和电容完成DC-DC转换。典型效率达82%,适用于简化电源设计。
描述应用在通信系统等对电压调节有广泛需求的领域中,是提升系统能源利用效率与供电稳定性的重要选择。
50个/管
总额¥0
近期成交1单
描述仅需 4 个外部组件DC-DC电源芯片
1000个/圆盘
总额¥0
近期成交3单
描述应用在通信系统等对电压调节有广泛需求的领域中,是提升系统能源利用效率与供电稳定性的重要选择。
50个/管
总额¥0
近期成交1单
描述LM2575SX/T - LM2576SX/T系列开关稳压器是单片集成电路,专为“降压”或“降压/升压”稳压器应用而设计,此类应用要求输出电压在电源、负载和温度综合变化的情况下保持精确。这一独特的系列产品极大地简化了开关电源的设计。LM2575的最大输出电流为1A,而LM2576的额定电流为3A
500个/圆盘
总额¥0
近期成交14单