芯片简介
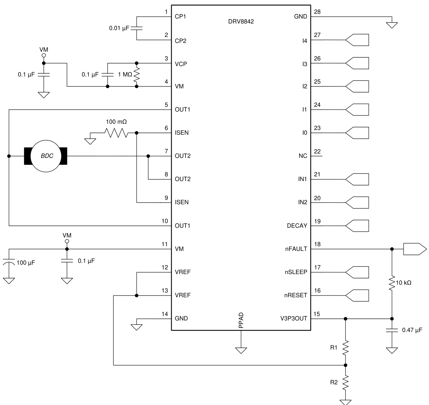
DRV8842是一款集成单H桥电机驱动器,支持8.2V至45V宽电压输入,可提供5A峰值驱动电流。内置PWM控制接口和五级电流调节功能,通过VREF引脚和外部电阻实现32级电流控制。集成电荷泵、过流保护、热关断及欠压锁定功能,采用H桥结构驱动直流电机或步进电机线圈,支持方向控制与混合衰减模式。
芯片特点:
输入45V
输出5A
1个H桥
单通道
接口PWM
方向控制
电流检测

DRV8842是一款集成单H桥电机驱动器,支持8.2V至45V宽电压输入,可提供5A峰值驱动电流。内置PWM控制接口和五级电流调节功能,通过VREF引脚和外部电阻实现32级电流控制。集成电荷泵、过流保护、热关断及欠压锁定功能,采用H桥结构驱动直流电机或步进电机线圈,支持方向控制与混合衰减模式。
描述DRV8842 具有电流调节功能的 47V、5A H 桥电机驱动器
RoHSSMT扩展库
2000个/圆盘
总额¥0
近期成交7单