芯片简介
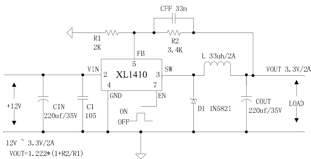
XL1410E1是一款380KHz固定频率的降压型DC/DC转换器,支持3.6V至18V宽输入电压范围,可调输出1.222V至16V,最大持续输出电流2A。采用内置优化功率MOSFET,集成过流保护、短路保护及热关断功能,具有高效率、低纹波和优异的负载调节性能。其功能框架包含PWM控制电路、固定频率振荡器、反馈调节模块及使能控制单元。
芯片特点:
输入3.6V~18V
输出2A
内置MOS
380KHz
使能
工业品
XL1410E1是一款380KHz固定频率的降压型DC/DC转换器,支持3.6V至18V宽输入电压范围,可调输出1.222V至16V,最大持续输出电流2A。采用内置优化功率MOSFET,集成过流保护、短路保护及热关断功能,具有高效率、低纹波和优异的负载调节性能。其功能框架包含PWM控制电路、固定频率振荡器、反馈调节模块及使能控制单元。
描述DCDC降压,电源输入7V~30V,1A~3A(中电流)方案,XL1410是一款380KHz固定频率、宽输入电压范围(3.6V至18V)的PWM降压DC-DC转换器,最大负载电流为2A,输出电压可调(1.222V至16V),具有高效率、低纹波和优良的线路及负载调节性能。内置优化的功率MOSFET,最小压差为0.6V,最大占空比为100%,内置过流保护和短路保护功能。
RoHSSMT扩展库
4000个/圆盘
总额¥0
近期成交44单