芯片简介
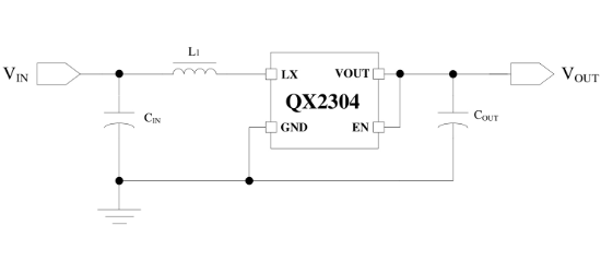
QX2304是一款高效率、低功耗、低纹波的PFM同步升压DC/DC变换器,内置同步开关管,最高效率达95%。具有宽输入电压范围(0.9V-3.6V)、可调输出电压(2.5V-3.6V)及±2.5%输出精度,采用PFM模式优化轻载纹波。内部集成振荡电路、参考电压电路、PFM控制模块及过流保护电路,仅需三个外围元件即可实现升压功能。
芯片特点:
输入0.9V~3.6V
输出2.5V~3.6V
内置MOS
300KHz
使能


QX2304是一款高效率、低功耗、低纹波的PFM同步升压DC/DC变换器,内置同步开关管,最高效率达95%。具有宽输入电压范围(0.9V-3.6V)、可调输出电压(2.5V-3.6V)及±2.5%输出精度,采用PFM模式优化轻载纹波。内部集成振荡电路、参考电压电路、PFM控制模块及过流保护电路,仅需三个外围元件即可实现升压功能。
描述Vout=3.6V
SMT扩展库
1000个/圆盘
总额¥0
近期成交4单