芯片简介
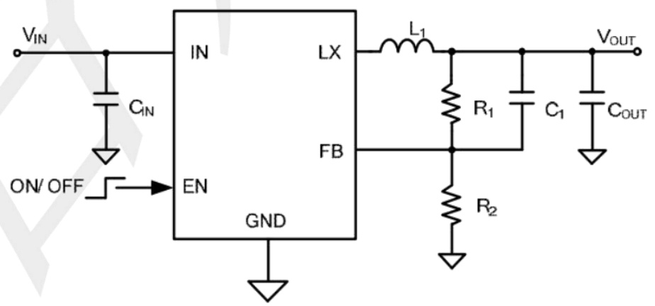
SP6669AEK-L-TP是一款DCDC降压芯片,输入电压范围2.5V至6V,提供0.8A连续负载电流。内置低RDS(ON)MOSFET开关(顶部300mΩ/底部200mΩ),采用固定1.5MHz开关频率架构,集成周期电流限制保护、内部软启动和使能控制功能。芯片内部由误差放大器、PWM控制器、双路MOSFET驱动器及保护电路组成,具有高达95%的转换效率。
芯片特点:
输入2.5V~6V
输出0.8A
内置MOS
1.5MHz
使能
软启动

SP6669AEK-L-TP是一款DCDC降压芯片,输入电压范围2.5V至6V,提供0.8A连续负载电流。内置低RDS(ON)MOSFET开关(顶部300mΩ/底部200mΩ),采用固定1.5MHz开关频率架构,集成周期电流限制保护、内部软启动和使能控制功能。芯片内部由误差放大器、PWM控制器、双路MOSFET驱动器及保护电路组成,具有高达95%的转换效率。
描述SP6669AEK-L-TP 是一款高效的 1.5MHz 0.8A 同步降压调节器,适用于网络、IP 摄像头、LCD 电视、DSL 调制解调器、接入点路由器、数字电视和机顶盒等应用。它支持 2.5V 至 6V 的输入电压范围,提供 0.8A 的连续负载电流,具有 2% 的 0.6V 基准电压,峰值电流限制和内部软启动功能,效率高达 95%,采用 SOT23-5 封装。
3000个/圆盘
总额¥0