芯片简介
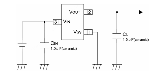
XC6206P332MR-G是一款高精度、低功耗的三端正电压稳压器,采用CMOS和激光微调技术,支持低ESR陶瓷电容。该芯片由电流限制电路、驱动晶体管、精密参考电压和误差校正电路组成,具有±2%的输出电压精度、250mV@100mA的压差电压、内置限流短路保护功能,适用于存储设备供电和电池供电设备。
芯片特点:
输入7.0V
输出200mA
精度±2%
功耗:1.0μA
输出3.3V
工业品
XC6206P332MR-G是一款高精度、低功耗的三端正电压稳压器,采用CMOS和激光微调技术,支持低ESR陶瓷电容。该芯片由电流限制电路、驱动晶体管、精密参考电压和误差校正电路组成,具有±2%的输出电压精度、250mV@100mA的压差电压、内置限流短路保护功能,适用于存储设备供电和电池供电设备。
| 开源项目名称 | 开源项目介绍 |
|---|---|
| C2842719-LDO方案验证板(A版) | LDO验证板A版:3款SOT-23-3、3款SOT-89-3、2款SOT-23-5、2款SOT-23-6、2款SOT-223。 |
描述1.5VLDO低ESR电容
SMT扩展库
1000个/圆盘
总额¥0