芯片简介
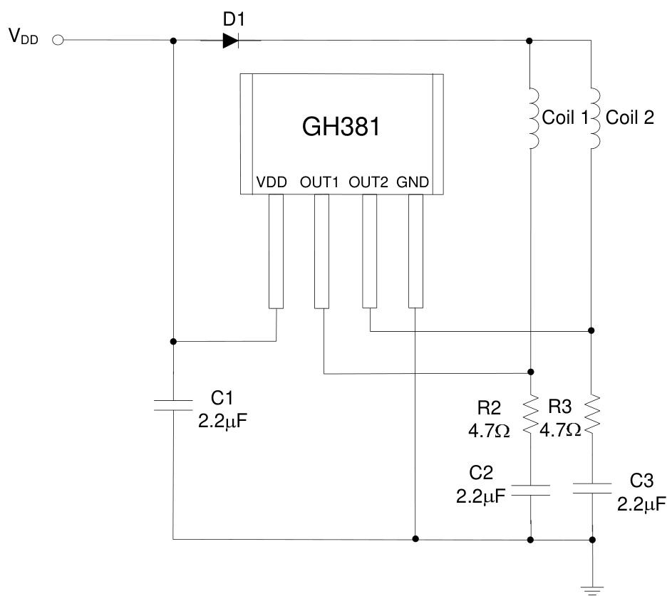
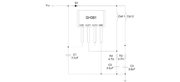
GH381是一款用于驱动双线圈无刷直流冷却风扇的单芯片解决方案,包含电压参考、霍尔传感器、信号放大器、波形整形电路、锁定转子检测器、保护电路和输出驱动电路。特性包括3.5V~20V宽电源电压、内置反向电源电压保护、锁定转子自动关断与重启功能、集成Zener二极管输出保护和过温保护。内部组成框架由霍尔传感器、信号处理单元、驱动逻辑和保护模块构成。
芯片特点:
最大输入20V
输出0.6A
工作电压3.5V~20V
驱动电流:0.6A
集成霍尔传感器
是否模块

GH381是一款用于驱动双线圈无刷直流冷却风扇的单芯片解决方案,包含电压参考、霍尔传感器、信号放大器、波形整形电路、锁定转子检测器、保护电路和输出驱动电路。特性包括3.5V~20V宽电源电压、内置反向电源电压保护、锁定转子自动关断与重启功能、集成Zener二极管输出保护和过温保护。内部组成框架由霍尔传感器、信号处理单元、驱动逻辑和保护模块构成。
描述是一款用于驱动双线圈无刷直流冷却风扇的单芯片IC解决方案。该IC由电压基准、霍尔传感器、信号放大器、整形电路、堵转检测器、堵转保护和重启电路、输出驱动电路等组成。为了能在恶劣环境中使用并考虑到低成本的因素,该芯片内部集成了许多功能,并且所需的外部组件较少。当电机0.5秒内没有转动时,IC将检测到堵转情况,自动进入保护模式,并将两个输出禁用4秒
1000个/袋
总额¥0
近期成交2单