芯片简介
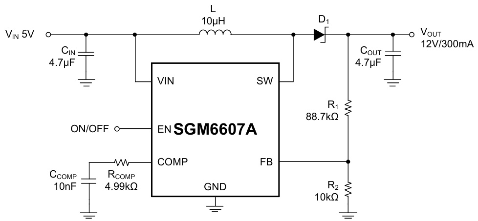
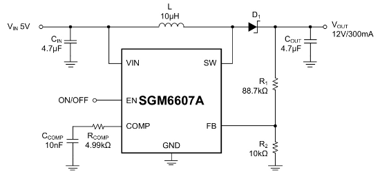
SGM6607A是一款高电压开关稳压器,集成1.2A、40V功率MOSFET,支持升压和SEPIC拓扑。工作频率1.1MHz,采用外部环路补偿优化瞬态响应,具有过流保护、软启动及热关断功能。输入电压范围3V~20V,输出电压可编程至38V,适用于多节电池或5V/12V电源轨。
芯片特点:
输入3V~20V
输出38V
内置MOS管
1.1MHz
使能
软启动

SGM6607A是一款高电压开关稳压器,集成1.2A、40V功率MOSFET,支持升压和SEPIC拓扑。工作频率1.1MHz,采用外部环路补偿优化瞬态响应,具有过流保护、软启动及热关断功能。输入电压范围3V~20V,输出电压可编程至38V,适用于多节电池或5V/12V电源轨。
描述SGM6607A是一款单片高电压开关稳压器,集成1.2A、40V功率MOSFET。该设备可以配置为多种标准开关稳压器拓扑,包括升压和SEPIC。输入电压范围为3V到20V,支持多节电池或5V、12V电源轨的应用。该设备具有宽输入电压范围,高输出电压(最高38V),1.1MHz固定开关频率,以及高达93%的效率。
SMT扩展库
3000个/圆盘
总额¥0
近期成交50单