芯片简介
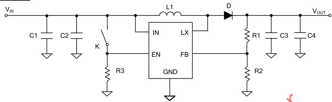
SY7208ABC是一款高效集成NMOSFET的电流模式固定频率升压转换器,具有宽输入电压范围(3V~25V)和最高25V的输出电压。特性包括1MHz开关频率、低导通电阻(150mΩ)、高达90%的效率、内部软启动、欠压锁定及过温保护。内部集成控制电路和MOSFET驱动器,外部仅需少量元件即可实现稳定升压输出。
芯片特点:
输入3V~25V
输出25V
内置MOS
1MHz
使能
软启动

SY7208ABC是一款高效集成NMOSFET的电流模式固定频率升压转换器,具有宽输入电压范围(3V~25V)和最高25V的输出电压。特性包括1MHz开关频率、低导通电阻(150mΩ)、高达90%的效率、内部软启动、欠压锁定及过温保护。内部集成控制电路和MOSFET驱动器,外部仅需少量元件即可实现稳定升压输出。
描述SY7208是一款高效率的升压转换器,具有集成的低导通电阻NMOSFET,宽输入电压范围(3-25V),最大输出电压25V,1MHz开关频率,高达90%的效率,内置补偿网络,内部软启动,过温保护,欠压锁定保护,1uA关断电流。采用SOT23-6封装,适用于手机、智能手机、PDA、PMP、MP3、数字相机等应用。
SMT扩展库
3000个/圆盘
总额¥0
近期成交100单+