芯片简介
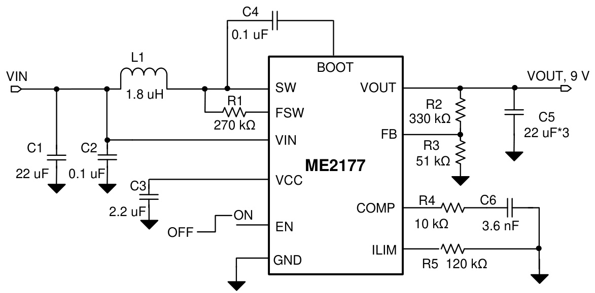
ME2177AQF11BG是一款高功率密度同步整流升压DC-DC转换器,集成低导通电阻功率开关,采用电流模自适应恒定关断时间控制架构。具有2.7V-12V输入电压范围、4.5V-12.6V输出电压范围及7A开关电流能力,支持可调开关频率(200kHz-2.2MHz)和可编程峰值限流,内置输入欠压保护、输出过压保护、软启动及过温保护功能,可自动切换PFM/PWM工作模式。
芯片特点:
输入2.7V~12V
输出4.5V~12.6V
内置MOS
200kHz~2.2MHz
使能
软启动

ME2177AQF11BG是一款高功率密度同步整流升压DC-DC转换器,集成低导通电阻功率开关,采用电流模自适应恒定关断时间控制架构。具有2.7V-12V输入电压范围、4.5V-12.6V输出电压范围及7A开关电流能力,支持可调开关频率(200kHz-2.2MHz)和可编程峰值限流,内置输入欠压保护、输出过压保护、软启动及过温保护功能,可自动切换PFM/PWM工作模式。
描述ME2177是一款高功率密度的同步整流升压DC-DC转换器,集成两个低导通电阻的功率开关,为便携设备提供高效率、小型化的供电方案。具有2.7V~12V的宽输入电压范围,输出电压最高至12.6V,具备7A开关电流能力,可提供20W功率输出。
SMT扩展库
3000个/圆盘
总额¥0
近期成交16单