芯片简介
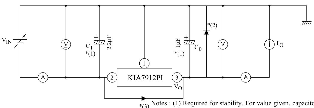
KIA7912PI-U/PF是一款负电压三端稳压器,输出-12V,适用于CMOS、TTL等数字集成电路电源。具有内部热过载保护和短路电流限制功能,输出电流超过1.0A。特性包括输出噪声电压200μVrms,纹波抑制比60dB。
芯片特点:
输入-35V
输出1.5A
输出-12V

KIA7912PI-U/PF是一款负电压三端稳压器,输出-12V,适用于CMOS、TTL等数字集成电路电源。具有内部热过载保护和短路电流限制功能,输出电流超过1.0A。特性包括输出噪声电压200μVrms,纹波抑制比60dB。
描述负电压 -12V 1A
RoHSSMT扩展库
50个/管
总额¥0
近期成交16单