芯片简介
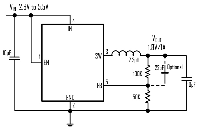
ETA3486S2F是一款高效DC-DC降压转换器,输入电压范围2.6V至5.5V,可提供0.6V至VIN的输出电压,最大输出电流1A。采用1.5MHz固定频率设计,支持内部同步整流器、软启动功能,并集成短路保护和热过载保护。内部结构包含PWM电流模式控制、循环限流及温度补偿电路,具有轻载操作模式和内部补偿机制。
芯片特点:
输入2.6V~5.5V
输出1A
内置MOS
1.5MHz
使能
软启动

ETA3486S2F是一款高效DC-DC降压转换器,输入电压范围2.6V至5.5V,可提供0.6V至VIN的输出电压,最大输出电流1A。采用1.5MHz固定频率设计,支持内部同步整流器、软启动功能,并集成短路保护和热过载保护。内部结构包含PWM电流模式控制、循环限流及温度补偿电路,具有轻载操作模式和内部补偿机制。
描述ETA3486是一款高效率的DC-DC降压转换器,最大输出电流为1A,工作频率为1.5MHz,输入电压范围为2.6V至5.5V,输出电压范围为0.6V至VIN。采用内部补偿和同步整流技术,提高了效率。适用于低电压电源转换,具有内置EMI抑制电路,适合RF应用。
RoHSSMT扩展库
3000个/圆盘
总额¥0
近期成交27单