芯片简介
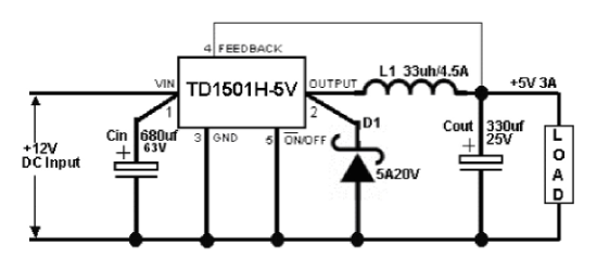
TD1501H系列是易于使用的固定/可调降压开关稳压器,可驱动3A负载并具有±3%输出电压精度。包含内部频率补偿和固定频率振荡器,支持TTL逻辑关机功能(待机电流80μA),具备两段式频率降低电流限制及过温保护。功能框架由输入电压反馈、开关输出控制、振荡器和保护电路组成,特性包括高达60V输入电压、高效率、仅需4个外部元件。
芯片特点:
输入3.6V~60V
输出3A
150KHz
使能

TD1501H系列是易于使用的固定/可调降压开关稳压器,可驱动3A负载并具有±3%输出电压精度。包含内部频率补偿和固定频率振荡器,支持TTL逻辑关机功能(待机电流80μA),具备两段式频率降低电流限制及过温保护。功能框架由输入电压反馈、开关输出控制、振荡器和保护电路组成,特性包括高达60V输入电压、高效率、仅需4个外部元件。
| 开源项目名称 | 开源项目介绍 |
|---|---|
| DCDC-TO263-5封装方案验证板 | PCB适用于TO263-5封装的DCDC降压芯片,由于包含型号较多,不同型号之间的参数存在差异,所以部分元件选用时需要视实际情况决定。 |
描述60V3A异步降压转换器
SMT扩展库
800个/圆盘
总额¥0
描述PCB空板 PCB适用于TO263-5封装的DCDC降压芯片,由于包含型号较多,不同型号之间的参数存在差异,所以部分元件选用时需要视实际情况决定。
1个/袋
总额¥0
近期成交2单