芯片简介
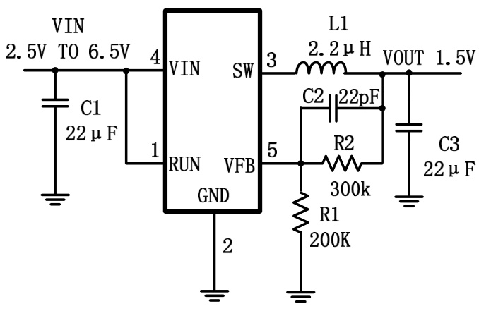
APS2415是一款高效率、1.5MHz固定频率的同步降压稳压器,输入电压范围为2.5V至6.5V,支持1.5A输出电流。内置功率开关管及同步整流开关,无需外接肖特基二极管,采用电流模式架构实现优异的负载瞬态响应。具备低压差操作(占空比可达100%)、脉冲跳跃模式降低轻载纹波,并集成短路保护、过温保护及软启动功能。
芯片特点:
输入2.5V~6.5V
输出1.5A
内置MOS
1.5MHz
使能
软启动

APS2415是一款高效率、1.5MHz固定频率的同步降压稳压器,输入电压范围为2.5V至6.5V,支持1.5A输出电流。内置功率开关管及同步整流开关,无需外接肖特基二极管,采用电流模式架构实现优异的负载瞬态响应。具备低压差操作(占空比可达100%)、脉冲跳跃模式降低轻载纹波,并集成短路保护、过温保护及软启动功能。
| 开源项目名称 | 开源项目介绍 |
|---|---|
| DC-DC降压芯片方案验证板-A版 | 该方案验证版,主要用于测试市面上常见的SOT-23封装的降压型DC/DC芯片,板子上目前集成了三种引脚排序。 |
描述APS2415是一款高效率的1.5MHz固定工作频率的单片同步降压稳压器。该芯片有可调版本和固定输出版本,稳压器在无负载时的工作电流为300uA;当处于关断时,工作电流降到1uA。输入工作电压范围为2.5V至6.5V,输出电压可低至0.6V。内置功率开关管及同步整流开关,无需外部肖特基二极管。适用于单节锂离子电池或两至四节干电池供电的电子产品。
RoHSSMT扩展库
3000个/圆盘
总额¥0
近期成交11单