芯片简介
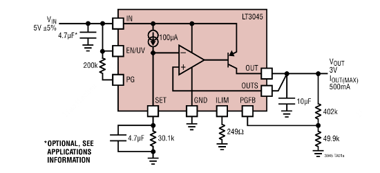
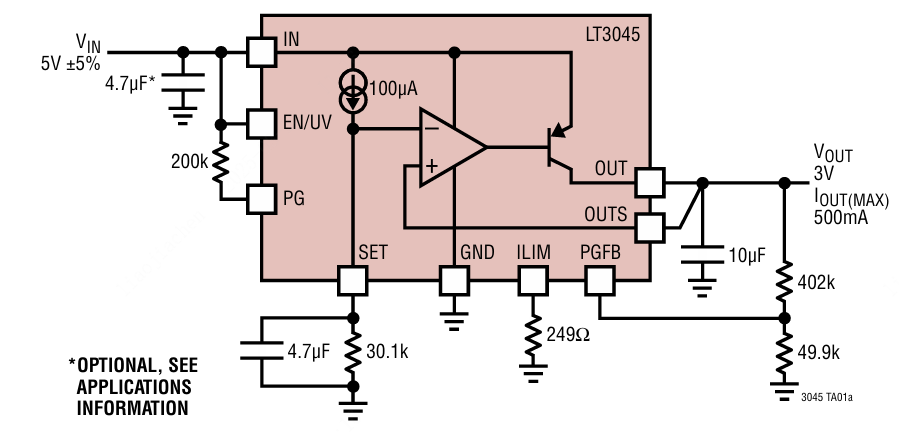
LT3045EMSE#PBF是一款高性能低压差线性稳压器,采用精密电流源架构,支持0V~15V可调输出电压。特性包括超低噪声(2nV/√Hz@10kHz)/超高电源抑制比(76dB@1MHz)/500mA输出电流/宽输入电压范围(1.8V~20V)/可编程电流限制和快速启动功能。内置误差放大器/基准电压源/功率晶体管及保护电路(反向电池/电流保护/热关断),可通过单电阻设定输出电压,单电容优化噪声和PSRR性能。
芯片特点:
输入20V
输出500mA
输出电压精度±1%
功耗:2.2mA
输出0V~15V
软启动
使能
超低噪声,超高PSRR



