芯片简介
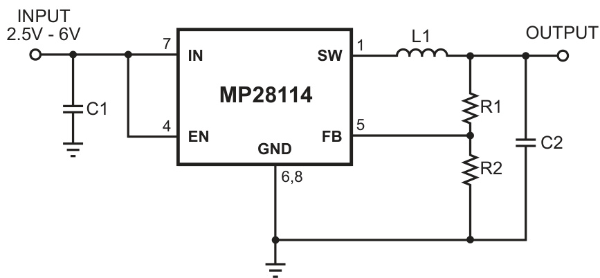
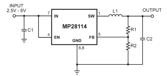
MP28114DG-LF-Z是一款1.7MHz恒定频率的电流模式PWM降压转换器,集成主开关和同步整流器,适用于单节锂离子电池设备。特性包括高达95%的效率、0.6V至6V可调输出电压、100%占空比低压差操作、短路保护和热故障保护。
芯片特点:
输入2.5V~6V
输出600mA
内置MOS
1.7MHz
使能

MP28114DG-LF-Z是一款1.7MHz恒定频率的电流模式PWM降压转换器,集成主开关和同步整流器,适用于单节锂离子电池设备。特性包括高达95%的效率、0.6V至6V可调输出电压、100%占空比低压差操作、短路保护和热故障保护。
描述DCDC降压,电源输入7V以内,1A以内(小电流)方案,MP28114是一款1.7MHz固定频率、高效率的超小型PWM降压转换器。该器件集成了主开关和同步整流器,适用于便携式设备,如手机、微处理器和DSP核心电源等。它可以提供600mA的负载电流,输入电压范围为2.5V至6V,输出电压可低至0.6V。该器件支持100%占空比运行,适用于低dropout应用。
RoHSSMT扩展库
5000个/圆盘
总额¥0