芯片简介
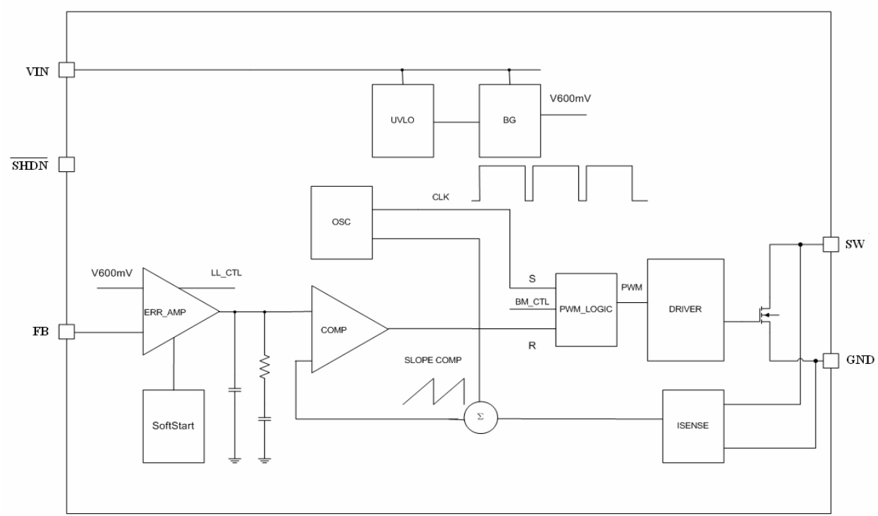
AP2004H是一款恒定频率峰值电流模式的异步PWM升压转换器,输入电压范围2.5V~5.5V,采用1MHz固定开关频率,内置130mΩ导通电阻NMOS管,提供3A峰值电流(支持1.5A输出负载)。具备轻载模式(静态电流100μA)、关断电流<1μA及内部软启动功能,通过外部肖特基二极管实现高效率(高达92%)。其结构包含误差放大器、PWM比较器及控制电路,外围元件微型化设计。
芯片特点:
输入2.5V~5.5V
内置MOS
1MHz
使能
软启动


AP2004H是一款恒定频率峰值电流模式的异步PWM升压转换器,输入电压范围2.5V~5.5V,采用1MHz固定开关频率,内置130mΩ导通电阻NMOS管,提供3A峰值电流(支持1.5A输出负载)。具备轻载模式(静态电流100μA)、关断电流<1μA及内部软启动功能,通过外部肖特基二极管实现高效率(高达92%)。其结构包含误差放大器、PWM比较器及控制电路,外围元件微型化设计。
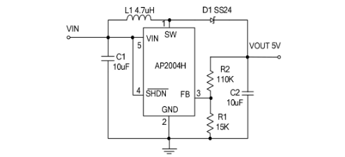
描述AP2004H是一个恒定频率峰值电流模式的异步PWM升压转换器,需要一个外部肖特基二极管。在轻负载时,AP2004H工作在轻负载模式。静态电流为100uA,关断电流小于1uA。内部NMOS管导通电阻为130mΩ,保证在整个输出负载范围内高效率。3A峰值电流使得AP2004H可以提供1.5A输出负载电流。非常适合用于MID和移动电源。输入电压范围2.5~5.5V。内部工作频率是设定在1.0MHz。
RoHSSMT扩展库
3000个/圆盘
总额¥0
近期成交31单