芯片简介
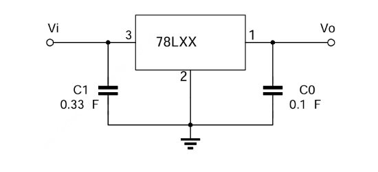
78L05是一款三端固定正电压稳压器,最大输出电流为100mA,支持5V输出电压。芯片具有热过载保护和短路电流限制功能,内部集成基准电压源和误差放大器,适用于低噪声要求的应用场景。
芯片特点:
输入30V
输出0.1A
精度±5%
功耗:700mW
输出5V

78L05是一款三端固定正电压稳压器,最大输出电流为100mA,支持5V输出电压。芯片具有热过载保护和短路电流限制功能,内部集成基准电压源和误差放大器,适用于低噪声要求的应用场景。
| 开源项目名称 | 开源项目介绍 |
|---|---|
| C2842719-LDO方案验证板(A版) | LDO验证板A版:3款SOT-23-3、3款SOT-89-3、2款SOT-23-5、2款SOT-23-6、2款SOT-223。 |
描述适用于需要高达150mA电源的应用。
RoHSSMT扩展库
1000个/圆盘
总额¥0
近期成交100单+