芯片简介
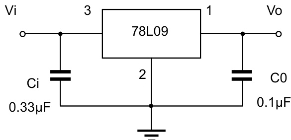
78L09是一款三端正电压线性稳压器,最大输出电流0.1A,输出电压9V,支持宽输入电压范围。电气特性包括±3%的输出电压精度,静态电流4.1mA,45dB纹波抑制能力,适用于基础电压调节场景。
芯片特点:
输入30V
输出0.1A
精度±3%
功耗:0.6W
输出9V

78L09是一款三端正电压线性稳压器,最大输出电流0.1A,输出电压9V,支持宽输入电压范围。电气特性包括±3%的输出电压精度,静态电流4.1mA,45dB纹波抑制能力,适用于基础电压调节场景。
| 开源项目名称 | 开源项目介绍 |
|---|---|
| C2842719-LDO方案验证板(A版) | LDO验证板A版:3款SOT-23-3、3款SOT-89-3、2款SOT-23-5、2款SOT-23-6、2款SOT-223。 |
描述78系列9V普通线性稳压
RoHSSMT扩展库
1000个/圆盘
总额¥0
近期成交9单