芯片简介
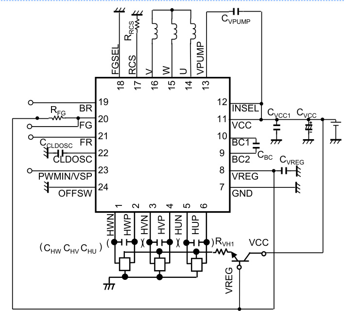
AN44150A-VB是一款三相无刷电机驱动IC,采用3霍尔传感器实现120度通电控制。支持两种驱动模式:外部PWM信号开环控制和外部DC电压+电流峰值检测的闭环控制。内置5V稳压器,集成FG脉冲切换、旋转方向切换、短路制动/自由运行功能,具备欠压锁定、过温保护、电机堵转保护、过流保护和输出短路保护。
芯片特点:
最大输入36V
输出±1.5A
工作电压6.0V~36V
方波/PWM调制
集成霍尔传感器
方向控制

AN44150A-VB是一款三相无刷电机驱动IC,采用3霍尔传感器实现120度通电控制。支持两种驱动模式:外部PWM信号开环控制和外部DC电压+电流峰值检测的闭环控制。内置5V稳压器,集成FG脉冲切换、旋转方向切换、短路制动/自由运行功能,具备欠压锁定、过温保护、电机堵转保护、过流保护和输出短路保护。
SMT扩展库
5000个/圆盘
总额¥0