芯片简介
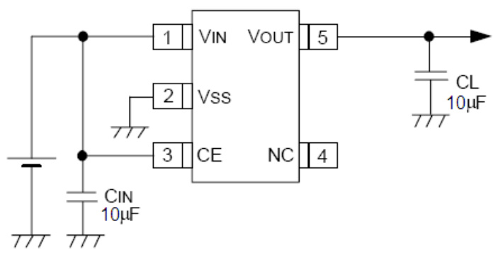
ME6119系列是高精度、低噪声的LDO稳压器,具有±2%的输出电压精度。内部集成误差放大器、基准电压源、功率晶体管和保护电路,提供过流保护、热关断和CE使能功能,适用于消费电子和工业设备。
芯片特点:
输入18V
输出0.4A
精度±2%
输出5.0V
使能

ME6119系列是高精度、低噪声的LDO稳压器,具有±2%的输出电压精度。内部集成误差放大器、基准电压源、功率晶体管和保护电路,提供过流保护、热关断和CE使能功能,适用于消费电子和工业设备。
| 开源项目名称 | 开源项目介绍 |
|---|---|
| C2842719-LDO方案验证板(A版) | LDO验证板A版:3款SOT-23-3、3款SOT-89-3、2款SOT-23-5、2款SOT-23-6、2款SOT-223。 |
描述低压差线性稳压(LDO)/5V 400mA , 最高18V输入, SOT-89封装
SMT扩展库
1000个/圆盘
总额¥0
近期成交31单