芯片简介
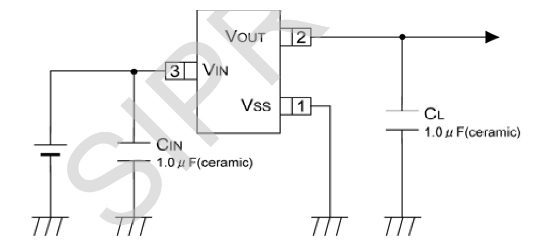
H7605系列是高精度、低功耗的三端正电压稳压器,采用CMOS和激光微调技术制造,提供大电流和低压差。该系列包含电流限制电路、驱动晶体管、精密参考电压和误差校正电路,兼容低ESR陶瓷电容,具有短路保护和输出电流限制功能。输出电压精度±2%,静态电流低至1.5uA,支持1.2V至5.0V范围内以0.1V递增选择输出电压,特性包括低功耗、低压差和低温漂。
芯片特点:
输入10V
输出0.3A
精度±2%
功耗:200mW
输出1.8V

H7605系列是高精度、低功耗的三端正电压稳压器,采用CMOS和激光微调技术制造,提供大电流和低压差。该系列包含电流限制电路、驱动晶体管、精密参考电压和误差校正电路,兼容低ESR陶瓷电容,具有短路保护和输出电流限制功能。输出电压精度±2%,静态电流低至1.5uA,支持1.2V至5.0V范围内以0.1V递增选择输出电压,特性包括低功耗、低压差和低温漂。
| 开源项目名称 | 开源项目介绍 |
|---|---|
| C2842719-LDO方案验证板(A版) | LDO验证板A版:3款SOT-23-3、3款SOT-89-3、2款SOT-23-5、2款SOT-23-6、2款SOT-223。 |
描述高耐压8V,超低功耗1.5uA静态电流LDO
SMT扩展库
3000个/圆盘
总额¥0
近期成交4单