芯片简介
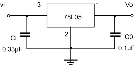
78L05是一款三端正电压线性稳压器,提供5V固定输出电压,最大输出电流0.1A。具备低噪声特性,支持高达30V的输入电压。其设计包含误差放大器和基准电压源,具有±4%的输出电压精度、低静态电流和良好的纹波抑制能力。
芯片特点:
输入30V
输出0.1A
精度±4%
功耗:0.5W
输出5V

78L05是一款三端正电压线性稳压器,提供5V固定输出电压,最大输出电流0.1A。具备低噪声特性,支持高达30V的输入电压。其设计包含误差放大器和基准电压源,具有±4%的输出电压精度、低静态电流和良好的纹波抑制能力。
| 开源项目名称 | 开源项目介绍 |
|---|---|
| C2842719-LDO方案验证板(A版) | LDO验证板A版:3款SOT-23-3、3款SOT-89-3、2款SOT-23-5、2款SOT-23-6、2款SOT-223。 |
描述特性:最大输出电流 Io:0.1A。 输出电压 Vo:5V。 连续总功耗 PD:0.5W(Ta = 25℃)
RoHSSMT扩展库
1000个/圆盘
总额¥0
近期成交14单