芯片简介
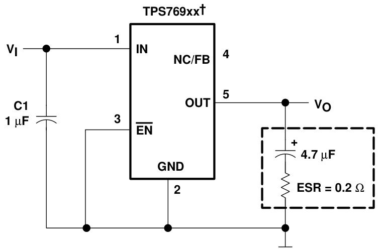
TPS76912DBVR是一款低噪声线性稳压器,采用PMOS晶体管实现极低静态电流和低压差。具有过流保护、热保护功能,支持使能控制以降低待机功耗至1μA。内部由误差放大器、基准电压源、PMOS功率晶体管和保护电路构成。
芯片特点:
输入10V
输出0.1A
精度±1%
输出1.2V
使能

TPS76912DBVR是一款低噪声线性稳压器,采用PMOS晶体管实现极低静态电流和低压差。具有过流保护、热保护功能,支持使能控制以降低待机功耗至1μA。内部由误差放大器、基准电压源、PMOS功率晶体管和保护电路构成。
| 开源项目名称 | 开源项目介绍 |
|---|---|
| C2842719-LDO方案验证板(A版) | LDO验证板A版:3款SOT-23-3、3款SOT-89-3、2款SOT-23-5、2款SOT-23-6、2款SOT-223。 |
描述TPS769 10V、100mA、低 Iq、低压降线性稳压器
RoHSSMT扩展库
2000个/圆盘
总额¥0
近期成交3单