芯片简介
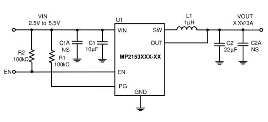
单片式降压开关转换器,集成内部功率MOSFET,支持2.5V至5.5V输入电压范围,连续输出电流达3A。采用恒定导通时间(COT)控制方案,具备快速瞬态响应和简化的环路稳定性。功能框架包含控制电路、驱动电路及保护电路,特性包括低至25μA静态电流、1%反馈精度、输出可调至0.6V,集成65mΩ/35mΩMOSFET开关,支持输出放电、过压保护及短路保护。
芯片特点:
输入2.5V~5.5V
输出3A
内置MOS
1.1MHz
使能
软启动

单片式降压开关转换器,集成内部功率MOSFET,支持2.5V至5.5V输入电压范围,连续输出电流达3A。采用恒定导通时间(COT)控制方案,具备快速瞬态响应和简化的环路稳定性。功能框架包含控制电路、驱动电路及保护电路,特性包括低至25μA静态电流、1%反馈精度、输出可调至0.6V,集成65mΩ/35mΩMOSFET开关,支持输出放电、过压保护及短路保护。
描述DCDC降压,电源输入7V以内,1A~3A(中电流)方案,
RoHSSMT扩展库
5000个/圆盘
总额¥0
近期成交5单