芯片简介
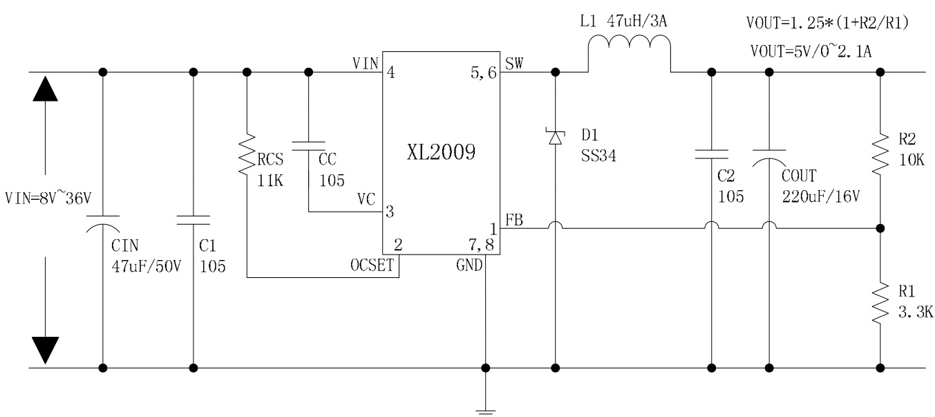
XL2009E1是一款180KHz固定频率PWM降压DC/DC转换器,输入电压范围8V-36V,输出可调1.25V-32V,最大输出电流3A。集成内部优化功率MOSFET,具有高效率、低纹波特性,支持最大100%占空比。内置过流保护、短路保护、热关断功能及恒流环路,采用最小外部元件设计并包含内部频率补偿。
芯片特点:
输入8V~36V
输出3A
内置MOS
180KHz

XL2009E1是一款180KHz固定频率PWM降压DC/DC转换器,输入电压范围8V-36V,输出可调1.25V-32V,最大输出电流3A。集成内部优化功率MOSFET,具有高效率、低纹波特性,支持最大100%占空比。内置过流保护、短路保护、热关断功能及恒流环路,采用最小外部元件设计并包含内部频率补偿。
描述DCDC降压,电源输入30V以上,1A~3A(中电流)方案,XL2009是一款3A、180KHz固定频率的PWM降压DC/DC转换器,输入电压范围为8V到36V,输出电压可调范围为1.25V到32V,最大输出电流为3A,具有CV/CC环路、内置过流保护和短路保护功能。
RoHSSMT扩展库
4000个/圆盘
总额¥0
近期成交73单