芯片简介
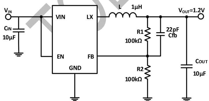
TMI3101C是一款2.5MHz恒定频率的同步降压转换器,集成主开关和同步整流器,无需外部肖特基二极管。支持0.6V至输入电压范围的输出电压调节,具有100%占空比低压差模式,提供PWM和PFM双工作模式以实现宽负载范围高效率,包含短路保护、热故障保护、输入过压保护及软启动功能。
芯片特点:
输入2.5V~5.5V
输出1A
内置MOS
2.5MHz
使能
软启动

TMI3101C是一款2.5MHz恒定频率的同步降压转换器,集成主开关和同步整流器,无需外部肖特基二极管。支持0.6V至输入电压范围的输出电压调节,具有100%占空比低压差模式,提供PWM和PFM双工作模式以实现宽负载范围高效率,包含短路保护、热故障保护、输入过压保护及软启动功能。
描述TMI3101C是一款高性能的1A、2.5MHz单片降压转换器。该器件集成了主开关和同步整流器,无需外部肖特基二极管,效率高达96%。适用于便携设备,如手机、无线和DSL调制解调器、PDA/MID/PAD、数字相机等。该器件支持PWM和PFM模式,具有短路保护、热故障保护、浪涌电流限制和软启动功能。
RoHSSMT扩展库
3000个/圆盘
总额¥0
近期成交13单