芯片简介
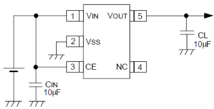
ME6119A33PG是一款高精度、低噪声、低压差LDO稳压器,最高输入电压18V,输出电压3.6V,精度±2%。内置限流、短路保护、热关断电路,支持使能控制。具有最大输出电流400mA,工作电压范围2.5-18V,低压差104mV@100mA,静态电流60μA,电源调整率30mV,温度稳定性≤0.5%。内部由误差放大器、基准电压源、功率晶体管和保护电路组成。
芯片特点:
输入18V
输出0.4A
精度±2%
功耗:300mW
输出3.3V
使能

ME6119A33PG是一款高精度、低噪声、低压差LDO稳压器,最高输入电压18V,输出电压3.6V,精度±2%。内置限流、短路保护、热关断电路,支持使能控制。具有最大输出电流400mA,工作电压范围2.5-18V,低压差104mV@100mA,静态电流60μA,电源调整率30mV,温度稳定性≤0.5%。内部由误差放大器、基准电压源、功率晶体管和保护电路组成。
| 开源项目名称 | 开源项目介绍 |
|---|---|
| C2842719-LDO方案验证板(A版) | LDO验证板A版:3款SOT-23-3、3款SOT-89-3、2款SOT-23-5、2款SOT-23-6、2款SOT-223。 |
描述3.3V LDO,电流400mA,最高18V,输入104mV@100mA
SMT扩展库
1000个/圆盘
总额¥0
近期成交53单