芯片简介
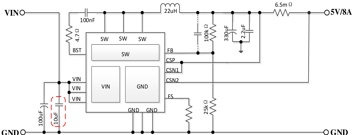
NDP13802QB是一款高效同步降压DC/DC转换器,采用平均电流模式控制架构,输入电压范围7.5V-30V,可调输出电压3.3V-25V,支持8A连续负载输出。集成8mΩ高边和低边开关,具备短路保护、热保护及内部软启动功能。特性包括双通道CC/CV模式控制、可编程频率、轻载突发模式操作及电缆压降补偿。内部组成包含控制环路、电流检测放大器、PWM比较器和保护电路模块。
芯片特点:
输入7.5V~30V
输出8A
内置MOS
130kHz~300kHz
软启动

NDP13802QB是一款高效同步降压DC/DC转换器,采用平均电流模式控制架构,输入电压范围7.5V-30V,可调输出电压3.3V-25V,支持8A连续负载输出。集成8mΩ高边和低边开关,具备短路保护、热保护及内部软启动功能。特性包括双通道CC/CV模式控制、可编程频率、轻载突发模式操作及电缆压降补偿。内部组成包含控制环路、电流检测放大器、PWM比较器和保护电路模块。
描述NDP13802QB是一款高效率、单片同步降压DC/DC转换器,支持7.5V至30V的输入电压范围,可提供高达8A的连续输出电流。该器件采用抖动频率模式控制架构,具有双通道CC/CV模式控制、短路保护、热保护等功能。内置8mΩ高侧和低侧开关,支持可编程频率范围130kHz至300kHz。
SMT扩展库
4000个/圆盘
总额¥0
近期成交26单