芯片简介
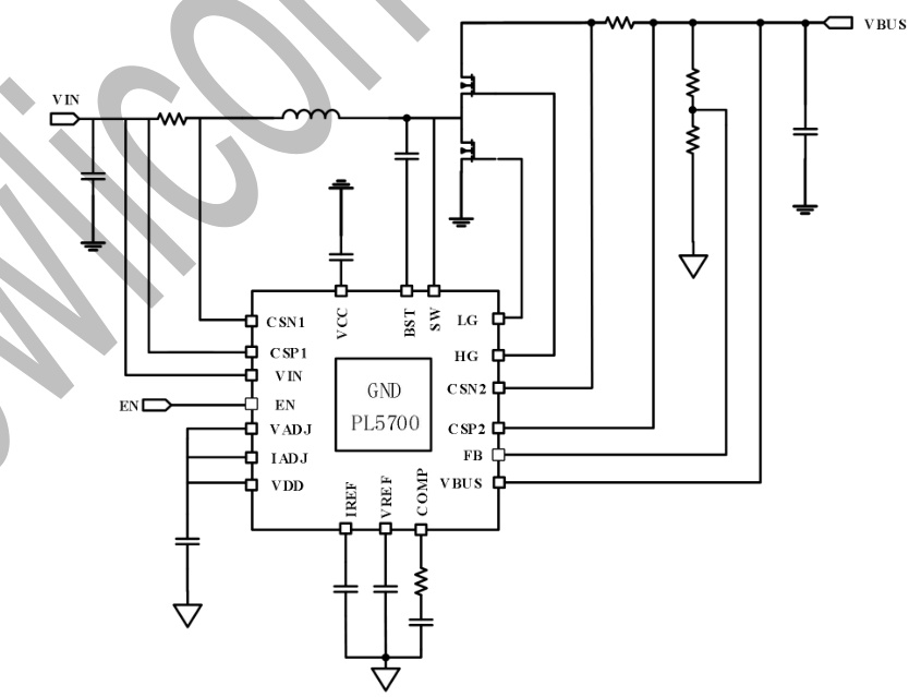
PL5700是一款同步高效升压PWM控制器,采用恒定导通时间(COT)控制拓扑,集成2AMOSFET栅极驱动器,支持可编程输出电流和电压限制。具有可调开关频率、外部软启动、脉冲跳跃模式轻载优化效率,并提供过压、过流、过热保护及动态环路控制。内部组成包括误差放大器、驱动电路、保护模块和可编程参考电压核心。
芯片特点:
输入2.8V~32V
输出可编程,32V
150kHz,300kHz,600kHz,1200kHz
使能
外部软启动

PL5700是一款同步高效升压PWM控制器,采用恒定导通时间(COT)控制拓扑,集成2AMOSFET栅极驱动器,支持可编程输出电流和电压限制。具有可调开关频率、外部软启动、脉冲跳跃模式轻载优化效率,并提供过压、过流、过热保护及动态环路控制。内部组成包括误差放大器、驱动电路、保护模块和可编程参考电压核心。
描述PL5700是一款32V输入电压范围的高效同步升压PWM控制器,采用恒定导通时间控制拓扑,提供快速瞬态响应和可编程输出电流限制。内置2A MOSFET驱动器,支持外部软启动和脉冲跳过模式,提高轻载效率。提供多种保护功能,包括过压保护、过温保护和可编程软启动。
SMT扩展库
4000个/圆盘
总额¥0
近期成交9单