芯片简介
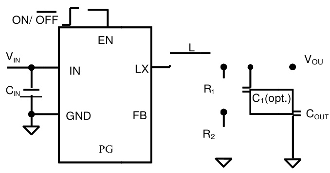
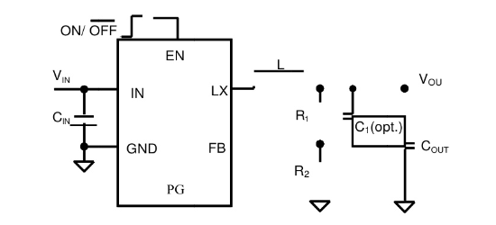
SY8032EABC是一款高频同步降压DC-DC调节器,集成低RDS(ON)主开关和同步开关以最小化导通损耗。支持2.7V至5.5V输入电压范围,提供高达2.5A连续输出电流和3A峰值能力。采用CCM工作模式,内置软启动功能限制浪涌电流,并具备1MHz开关频率以减少外部元件尺寸。
芯片特点:
输入2.7V~5.5V
输出2.5A
内置MOS
1MHz
使能
软启动

SY8032EABC是一款高频同步降压DC-DC调节器,集成低RDS(ON)主开关和同步开关以最小化导通损耗。支持2.7V至5.5V输入电压范围,提供高达2.5A连续输出电流和3A峰值能力。采用CCM工作模式,内置软启动功能限制浪涌电流,并具备1MHz开关频率以减少外部元件尺寸。
| 开源项目名称 | 开源项目介绍 |
|---|---|
| DC-DC降压芯片方案验证板-A版 | 该方案验证版,主要用于测试市面上常见的SOT-23封装的降压型DC/DC芯片,板子上目前集成了三种引脚排序。 |
描述SY8032E是一款高效、高频的同步降压DC-DC调节器IC,能够提供高达2.5A的连续输出电流。它的工作输入电压范围为2.7V至5.5V,内部集成主开关和同步开关,具有低导通电阻,高开关频率(1MHz),低输出电压纹波和小型外部电感及电容器件。
SMT扩展库
3000个/圆盘
总额¥0
近期成交53单