芯片简介
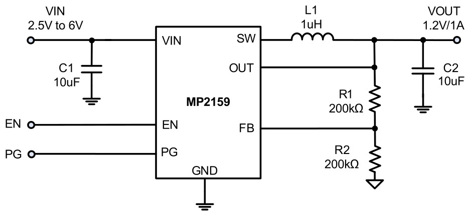
MP2159是一款单片降压开关转换器,内置功率MOSFET,支持2.5V至6V输入电压范围和0.6V可调输出电压。采用恒导通时间控制方案,提供1A连续输出电流,具备快速瞬态响应、逐周期过流保护及热关断功能。特性包括17μA低静态电流、1.5MHz默认开关频率、使能引脚控制、电源正常指示和软启动。内部集成118mΩ/88mΩMOSFET开关,支持100%占空比低压差模式,适用于陶瓷电容输出稳定设计。
芯片特点:
输入2.5V~6V
输出1A
内置MOS
1.5MHz
使能
软启动

MP2159是一款单片降压开关转换器,内置功率MOSFET,支持2.5V至6V输入电压范围和0.6V可调输出电压。采用恒导通时间控制方案,提供1A连续输出电流,具备快速瞬态响应、逐周期过流保护及热关断功能。特性包括17μA低静态电流、1.5MHz默认开关频率、使能引脚控制、电源正常指示和软启动。内部集成118mΩ/88mΩMOSFET开关,支持100%占空比低压差模式,适用于陶瓷电容输出稳定设计。
描述DCDC降压,电源输入7V以内,1A以内(小电流)方案,MP2159是一款单片同步降压转换器,内置MOSFET,能够提供1A连续输出电流。输入电压范围为2.5V至6V,开关频率为1.5MHz,静态电流仅为17uA。采用恒定导通时间控制方案,提供快速瞬态响应和易于环路稳定。具有短路保护和hiccup模式,适用于高性能DSP、无线/网络卡、FPGA、PDA和便携式仪器等应用。
RoHSSMT扩展库
3000个/圆盘
总额¥0
近期成交12单