我的订单购物车(0)联系客服帮助中心供应商合作嘉立创产业服务群
领券中心备货找料立推专区爆款推荐TI订货PLUS会员BOM配单PCB/SMT工业品面板定制

Silicore(芯谷)+D6208L

(有刷电机/继电器驱动-(2)12V~25V供电-(1)2A以内方案)
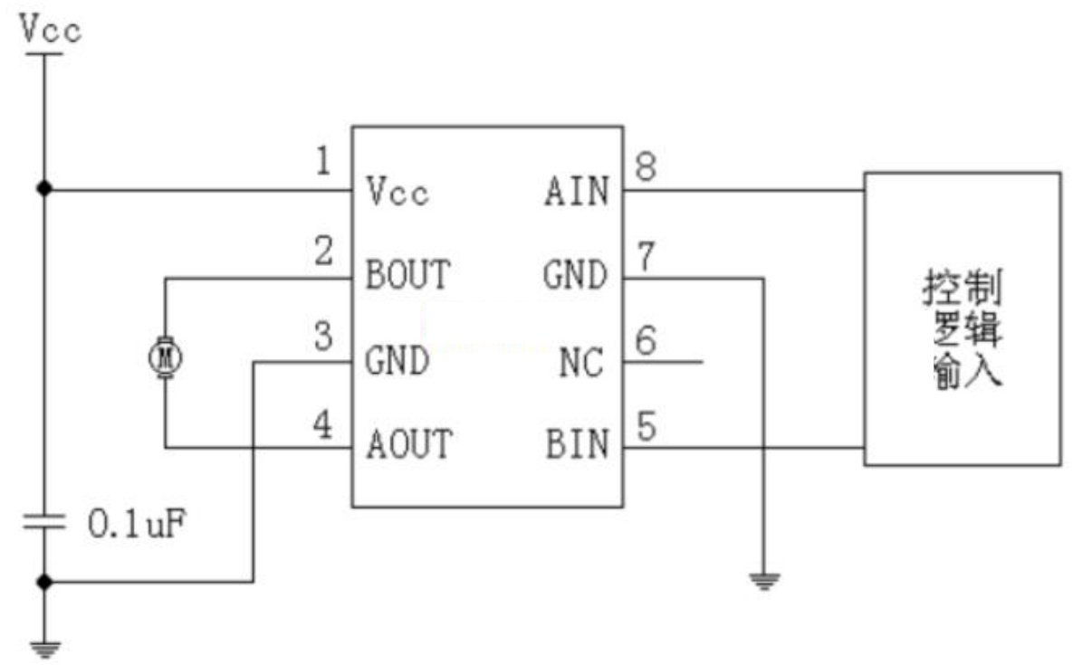
Silicore(芯谷)的D6208L系统框图
点击预览

芯片简介

D6208L

芯片特点:

D6208L

项目参考文件

方案关联商品

  • 型号/品牌/封装/类目

  • 参数/描述

  • 优惠券/标签

  • 价格梯度(含税)

  • 库存交期

  • 操作

D6208L
D6208L
品牌
Silicore(芯谷)
封装
SOP-8
类目
有刷直流电机驱动芯片
编号
C20883079
集成FET
输出电流
300mA
峰值电流
300mA
工作电压
4.5V~15V

描述D6208L 是一块单片双向马达驱动电路,它使用TTL电平的逻 辑信号就能控制卡式录音机和其它电子设备中的双向马达。 该电路由一个逻辑部分和一个功率输出部分组成。逻辑部分 控制马达正、反转向及制动,功率输出部分根据逻辑控制能提供 100mA(典型值)电流

RoHSSMT扩展库

SMT补贴嘉立创库存220
  • 收藏
  • 对比
  • 0.275
  • 0.2174
  • 0.1886
  • 0.167
  • 0.1497
  • 0.141
现货最快4小时发货
广东仓
220

100/

总额0

近期成交5单