芯片简介
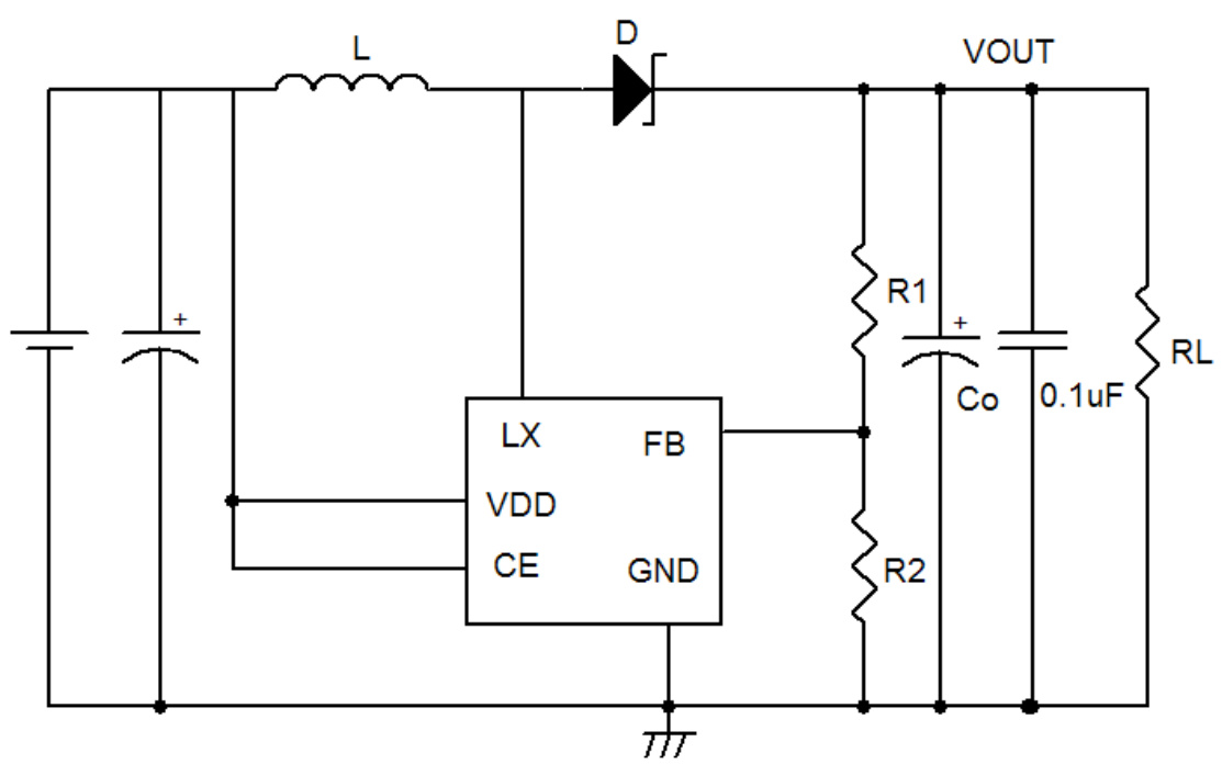
ME2129FM5G是一款CMOS步升压开关稳压器,集成参考电压源、振荡电路、误差放大器、相位补偿电路及PWM/PFM切换控制电路。支持低至0.9V的启动电压,内置MOS管无需外接功率晶体管,采用300kHz固定频率,具备软启动功能(2ms)和使能控制,需外接电感、二极管及电容。
芯片特点:
输入0.9V~6.5V
输出可调
内置MOS
300kHz
使能
软启动

ME2129FM5G是一款CMOS步升压开关稳压器,集成参考电压源、振荡电路、误差放大器、相位补偿电路及PWM/PFM切换控制电路。支持低至0.9V的启动电压,内置MOS管无需外接功率晶体管,采用300kHz固定频率,具备软启动功能(2ms)和使能控制,需外接电感、二极管及电容。
描述ME2129系列是一款CMOS升压开关稳压器,主要由基准电压源、振荡电路、误差放大器、相位补偿电路、PWM/PFM开关控制电路组成。无需使用外部低导通电阻N沟道功率MOS管,可应用于需要高效率、高输出电流的应用电路。在轻负载情况下,ME2129系列通过PWM/PFM开关控制电路将其工作模式切换至占空比为15%的PFM控制电路,以防止因IC工作电流导致效率下降
SMT扩展库
3000个/圆盘
总额¥0
近期成交7单