芯片简介
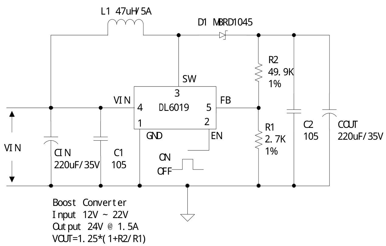
DL6019是单片集成DCDC升压芯片,支持升压、反激和正激转换器,内置5APMOSFET开关及保护电路。特性包括3.6V-36V宽输入范围、200kHz固定频率、软启动、使能控制和高达92%效率。内部集成欠压锁定、电流/热限制功能,提供固定12V/24V及可调输出电压版本,最大开关耐压60V。
芯片特点:
输入3.6V~36V
输出12V/24V/可调
内置MOS
200kHz
使能
软启动

DL6019是单片集成DCDC升压芯片,支持升压、反激和正激转换器,内置5APMOSFET开关及保护电路。特性包括3.6V-36V宽输入范围、200kHz固定频率、软启动、使能控制和高达92%效率。内部集成欠压锁定、电流/热限制功能,提供固定12V/24V及可调输出电压版本,最大开关耐压60V。
描述DL6019是一款单片集成电路,可为升压(Boost)、反激和正激转换器开关稳压器提供所有电源和控制功能。芯片上集成了一个5A的PMOSFET开关及其相关保护电路,包括电流和热限制以及欠压锁定。其他特性包括一个无需外部元件的200kHz固定频率振荡器、一种用于减少启动期间浪涌电流的软启动模式,以及用于改善对输入电压和输出负载瞬变抑制能力的电流模式控制
800个/圆盘
总额¥0
近期成交48单