芯片简介
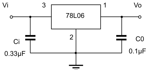
78L06是一款三端正电压稳压器,最大输出电流0.1A,输出电压6V,具有±4.17%的输出电压精度,支持输入电压范围8V-20V,包含负载调整和线性调整功能,适用于基础稳压场景。其电气特性包括静态电流3.9mA-6.0mA,纹波抑制48dB,压降电压1.7V。
芯片特点:
输入30V
输出0.1A
精度±4.17%
功耗:0.6W
输出6V

78L06是一款三端正电压稳压器,最大输出电流0.1A,输出电压6V,具有±4.17%的输出电压精度,支持输入电压范围8V-20V,包含负载调整和线性调整功能,适用于基础稳压场景。其电气特性包括静态电流3.9mA-6.0mA,纹波抑制48dB,压降电压1.7V。
| 开源项目名称 | 开源项目介绍 |
|---|---|
| C2842719-LDO方案验证板(A版) | LDO验证板A版:3款SOT-23-3、3款SOT-89-3、2款SOT-23-5、2款SOT-23-6、2款SOT-223。 |
描述78系列6V普通线性稳压
RoHSSMT扩展库
1000个/圆盘
总额¥0