芯片简介
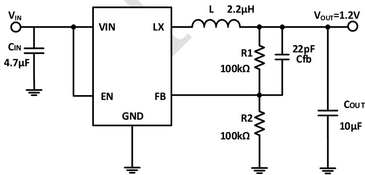
STI3408B是一款1.5MHz恒定频率的同步降压转换器,集成主开关和同步整流器,无需外部肖特基二极管。输入电压范围2.5V至6V,输出电压可低至0.6V,支持100%占空比运行。具有PWM和PFM双模式控制,提供短路保护、热故障保护、输入过压保护及软启动功能。内部采用斜率补偿电流模式控制,确保优异的线路和负载瞬态响应。
芯片特点:
输入2.5V~6V
输出1.2A
内置MOS
1.5MHz
使能
软启动
工业品
STI3408B是一款1.5MHz恒定频率的同步降压转换器,集成主开关和同步整流器,无需外部肖特基二极管。输入电压范围2.5V至6V,输出电压可低至0.6V,支持100%占空比运行。具有PWM和PFM双模式控制,提供短路保护、热故障保护、输入过压保护及软启动功能。内部采用斜率补偿电流模式控制,确保优异的线路和负载瞬态响应。
| 开源项目名称 | 开源项目介绍 |
|---|---|
| DC-DC降压芯片方案验证板-A版 | 该方案验证版,主要用于测试市面上常见的SOT-23封装的降压型DC/DC芯片,板子上目前集成了三种引脚排序。 |
描述STI3408B是一款高效率的1.5MHz常频模式PWM同步降压转换器,集成了主开关和同步整流器,无需外部肖特基二极管。适用于便携设备,支持2.5V到6V的输入电压范围,输出电压可低至0.6V,最大输出电流为1.2A。具有100%占空比的低压差操作,低静态电流40μA,多种保护功能,包括短路保护和过温保护。
RoHSSMT扩展库
3000个/圆盘
总额¥0
近期成交17单