芯片简介
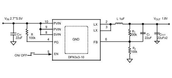
SY8063DBC是一款高效1MHz同步降压DC-DC调节器,可提供高达3.5A的输出电流。该芯片工作输入电压范围为2.7V至5.5V,集成低RDS(ON)的主开关和同步开关以降低导通损耗。其特性包括1MHz开关频率、内部软启动限流、电源就绪指示功能,采用紧凑型DFN3x3-10封装。内部组成框架包含控制电路和低阻抗功率开关模块,支持100%占空比操作并符合RoHS标准。
芯片特点:
输入2.7V~5.5V
输出3.5A
内置MOS
1MHz
使能
软启动

SY8063DBC是一款高效1MHz同步降压DC-DC调节器,可提供高达3.5A的输出电流。该芯片工作输入电压范围为2.7V至5.5V,集成低RDS(ON)的主开关和同步开关以降低导通损耗。其特性包括1MHz开关频率、内部软启动限流、电源就绪指示功能,采用紧凑型DFN3x3-10封装。内部组成框架包含控制电路和低阻抗功率开关模块,支持100%占空比操作并符合RoHS标准。
描述SY8063是一款高效率1MHz同步降压DC-DC调节器,能够提供高达3.5A的输出电流。其输入电压范围为2.7V至5.5V,内置低导通电阻的主开关和同步开关,以减少传导损耗。内部软启动功能限制了启动时的浪涌电流,100%掉电操作,低输出电压纹波,小型外部电感和电容器尺寸,符合RoHS标准和无卤素要求。封装为DFN3x3-10。
SMT扩展库
5000个/圆盘
总额¥0
近期成交3单