芯片简介
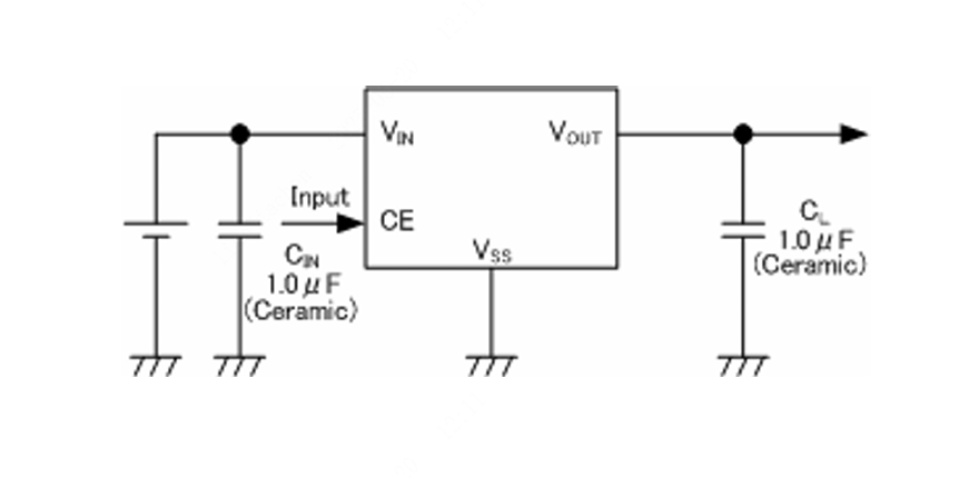
XC6221B132MR-G是一款高精度、低噪声、高速CMOS线性稳压器,支持低ESR陶瓷电容。包含基准电压源、误差放大器、限流器和相位补偿电路,具有±1%/±2%输出电压精度、25μA低功耗、70dB纹波抑制和CE开关控制功能。B/D系列支持输出电容自动放电,输出电压范围0.80V~5.00V,适用于移动设备供电。
芯片特点:
输入6.0V
输出250mA
精度±1%/±2%
功耗:25μA
输出0.80V~5.00V
使能

XC6221B132MR-G是一款高精度、低噪声、高速CMOS线性稳压器,支持低ESR陶瓷电容。包含基准电压源、误差放大器、限流器和相位补偿电路,具有±1%/±2%输出电压精度、25μA低功耗、70dB纹波抑制和CE开关控制功能。B/D系列支持输出电容自动放电,输出电压范围0.80V~5.00V,适用于移动设备供电。
| 开源项目名称 | 开源项目介绍 |
|---|---|
| C2842719-LDO方案验证板(A版) | LDO验证板A版:3款SOT-23-3、3款SOT-89-3、2款SOT-23-5、2款SOT-23-6、2款SOT-223。 |
描述XC6221系列是一款高精度、低噪声、高速、低压差的CMOS稳压器,具有高纹波抑制能力。该系列包含一个参考电压源、一个误差放大器、一个电流限制器和一个相位补偿电路。通过输入低电平信号,CE功能可使整个电路进入待机状态
RoHS
总额¥0