芯片简介
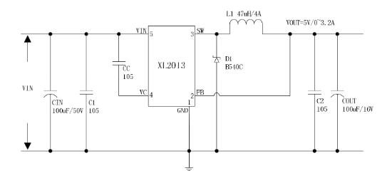
XL2013E1是一款150KHz固定频率PWM降压DC/DC转换器,支持8V至40V输入电压范围并提供固定5V输出。该芯片可驱动最大3.2A负载,具备高达92%的转换效率、低纹波特性及优异的线性/负载调节能力。内部集成优化功率MOSFET,内置短路保护、热关断和电流限制功能,采用最小化外部元件设计,包含内部频率补偿和固定频率振荡器。
芯片特点:
输入8V~40V
输出3.2A
内置MOS
150KHz

XL2013E1是一款150KHz固定频率PWM降压DC/DC转换器,支持8V至40V输入电压范围并提供固定5V输出。该芯片可驱动最大3.2A负载,具备高达92%的转换效率、低纹波特性及优异的线性/负载调节能力。内部集成优化功率MOSFET,内置短路保护、热关断和电流限制功能,采用最小化外部元件设计,包含内部频率补偿和固定频率振荡器。
描述DCDC降压,电源输入30V以上,3A以上(大电流)方案,XL2013是一款150KHz固定频率的降压型DC-DC转换器,输入电压范围为8V到40V,输出电压为固定的5V,最大输出电流为3.2A。该器件具有内部优化的功率MOSFET,高效率可达92%,内置输出短路保护和热关断功能。
RoHSSMT扩展库
2500个/圆盘
总额¥0
近期成交5单